Kickstart your Riding Season with Bike Prep and Riding Gear Shop Now
CLOSE
Shipping to US Flag United States
Free shipping over $79
My Ride: 2025 Cfmoto CFORCE 400
Moto Madness Sale | Get Up To 65% Off Parts & Gear Shop Now

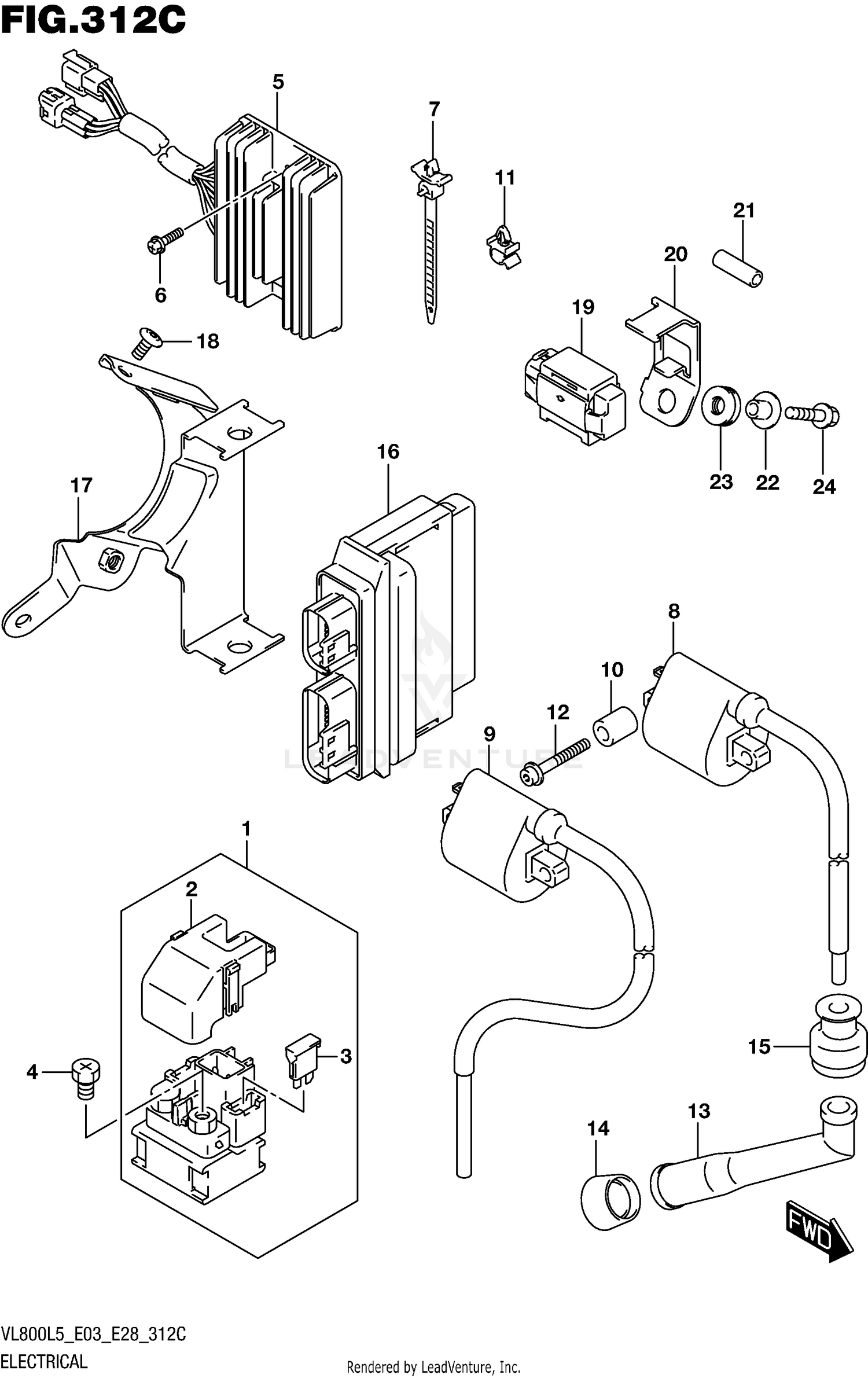
2015 Suzuki VL800B ELECTRICAL (VL800TL5 E03)

Set this as my ride
ELECTRICAL (VL800TL5 E03)

WARNING Cancer and Reproductive Harm www.P65Warnings.ca.gov.

All 2015 Suzuki VL800B Part Groups
Added to your cart
CLOSE