Tire Rebates! Get Up To $70 Back Shop Now
CLOSE
Shipping to US Flag United States
Free shipping over $79
Moto Madness Sale | Get Up To 65% Off Parts & Gear Shop Now

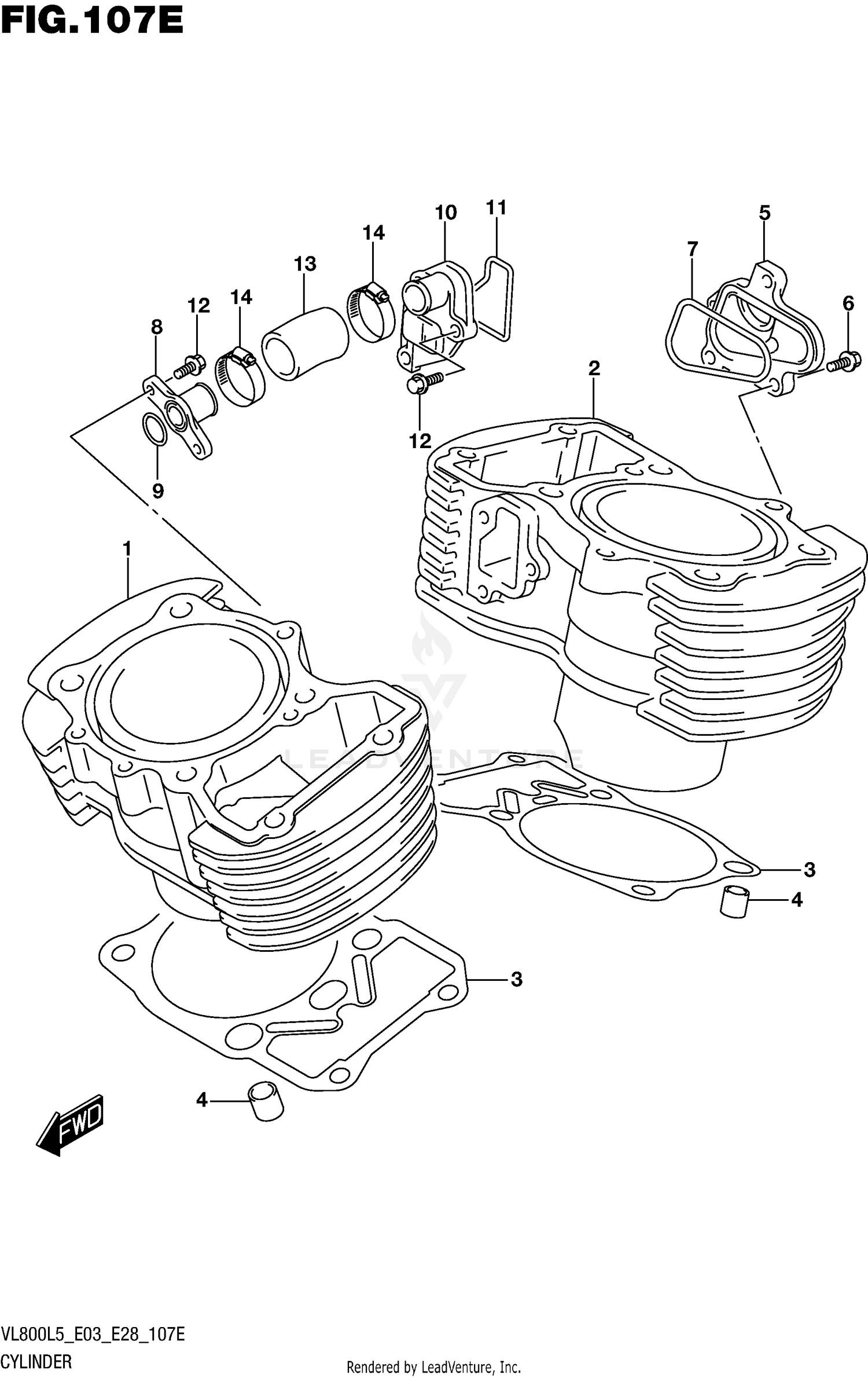
2015 Suzuki VL800B CYLINDER (VL800TL5 E33)

Set this as my ride
CYLINDER (VL800TL5 E33)

WARNING Cancer and Reproductive Harm www.P65Warnings.ca.gov.

All 2015 Suzuki VL800B Part Groups
Added to your cart
CLOSE