Tire Rebates! Get Up To $70 Back Shop Now
CLOSE
Shipping to US Flag United States
Free shipping over $79
Moto Madness Sale | Get Up To 65% Off Parts & Gear Shop Now

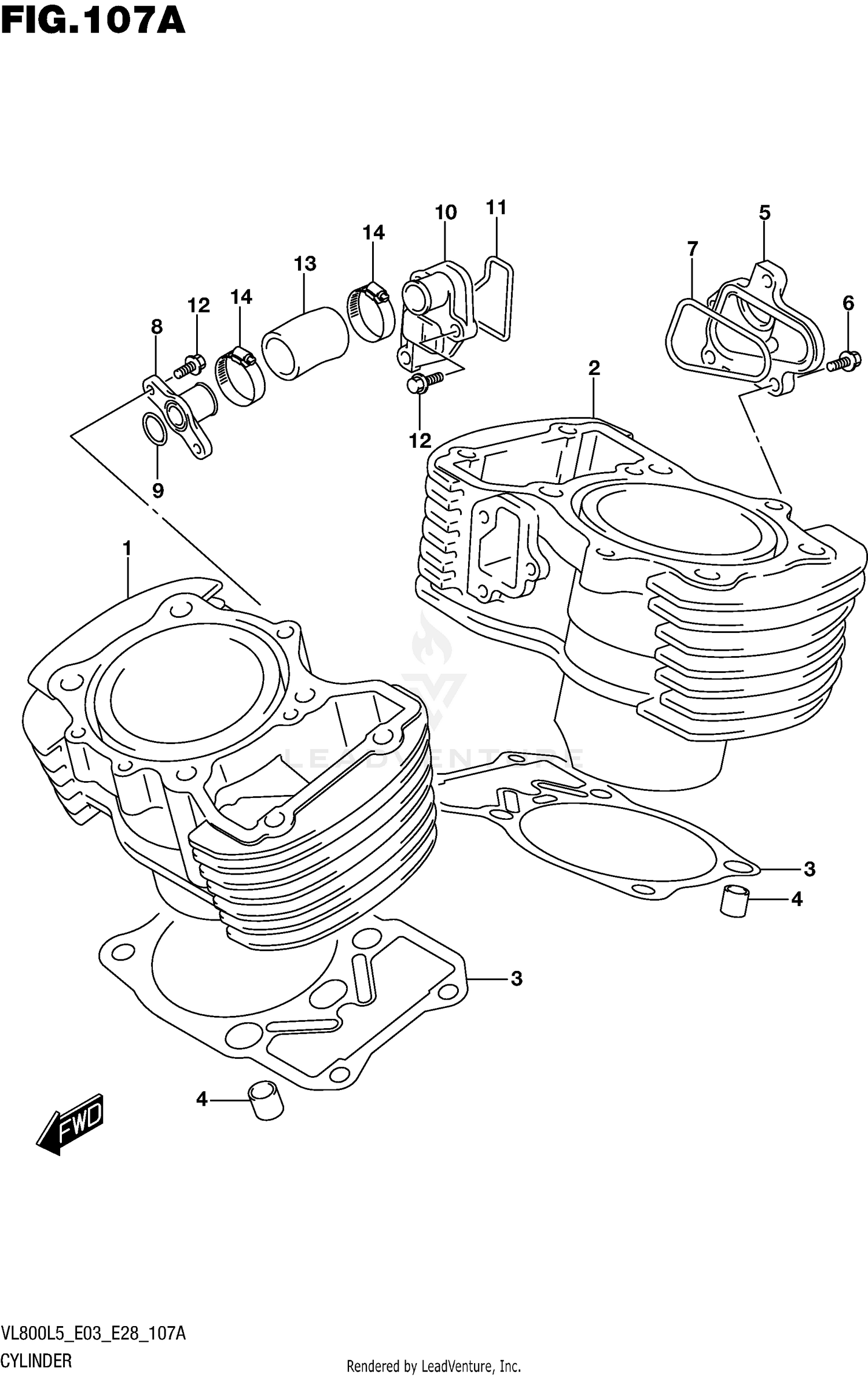
2015 Suzuki VL800B CYLINDER (VL800L5 E03)

Set this as my ride
CYLINDER (VL800L5 E03)

WARNING Cancer and Reproductive Harm www.P65Warnings.ca.gov.

All 2015 Suzuki VL800B Part Groups
Added to your cart
CLOSE