Get Out and Ride | Dialed Gear. Tuned Parts. Dirt Ready. Shop Now
CLOSE
Shipping to US Flag United States
Free shipping over $79
My Ride: 1999 Yamaha WARRIOR
BOGOS | Buy One Get One Deals Shop Now

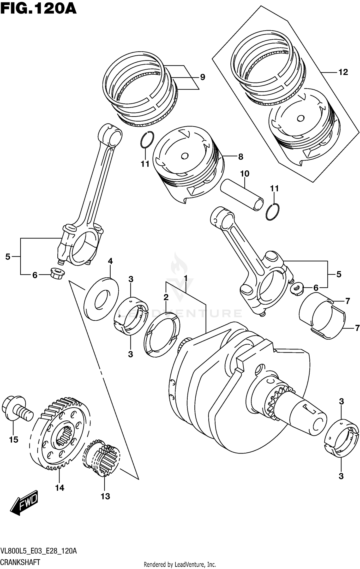
2015 Suzuki VL800B CRANKSHAFT

Set this as my ride
CRANKSHAFT

WARNING Cancer and Reproductive Harm www.P65Warnings.ca.gov.

All 2015 Suzuki VL800B Part Groups
Added to your cart
CLOSE