LUCKY YOU! Extra 10% Off Clearance | Use Code POTOGOLD10 Limited Time! Ends 3/21 Shop Now
CLOSE
Shipping to US Flag United States
Free shipping over $79
My Ride: 2005 Honda CRF70F
Moto Madness Sale | Get Up To 65% Off Parts & Gear Shop Now

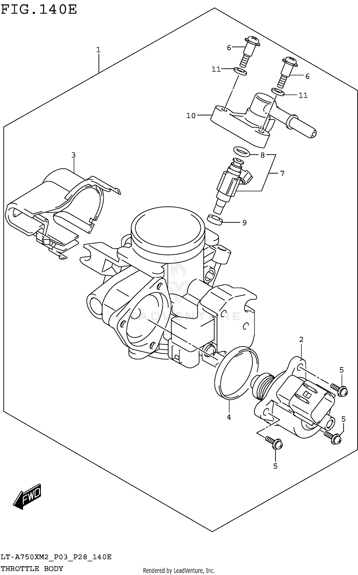
2022 Suzuki KING QUAD 750X THROTTLE BODY (LT-A750XPM2 P28)

Set this as my ride
THROTTLE BODY (LT-A750XPM2 P28)

WARNING Cancer and Reproductive Harm www.P65Warnings.ca.gov.

All 2022 Suzuki KING QUAD 750X Part Groups
Added to your cart
CLOSE