FMF Exhausts Up To 10% Off Shop Now
CLOSE
Shipping to US Flag United States
Free shipping over $79
Bargain Bin Blowout Ends Tomorrow! | Save 40-90% Off! Shop Now

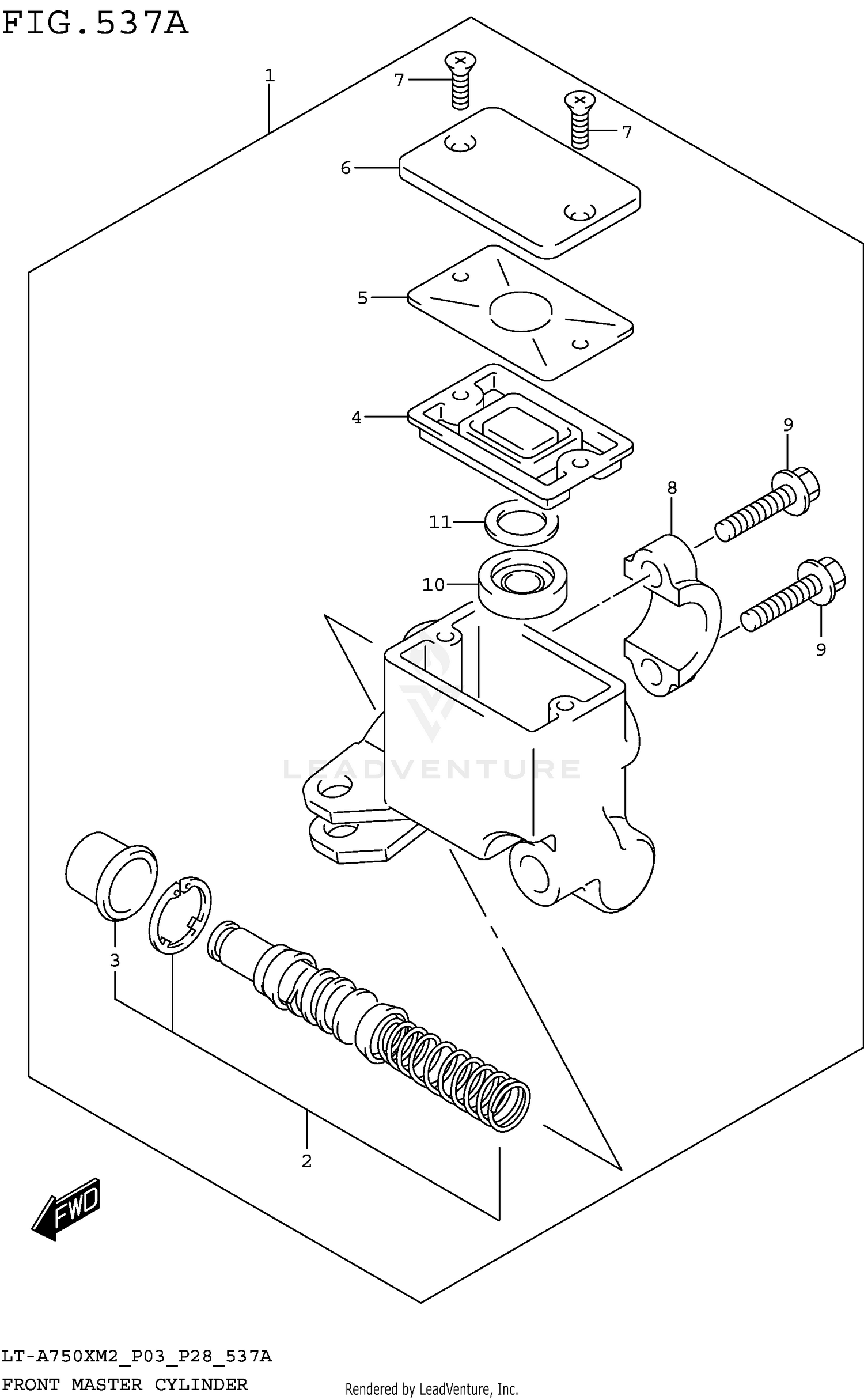
2022 Suzuki KING QUAD 750X FRONT MASTER CYLINDER

Set this as my ride
FRONT MASTER CYLINDER

WARNING Cancer and Reproductive Harm www.P65Warnings.ca.gov.

All 2022 Suzuki KING QUAD 750X Part Groups
Added to your cart
CLOSE