Kickstart your Riding Season with Bike Prep and Riding Gear Shop Now
CLOSE
Shipping to US Flag United States
Free shipping over $79
Moto Madness Sale | Get Up To 65% Off Parts & Gear Shop Now

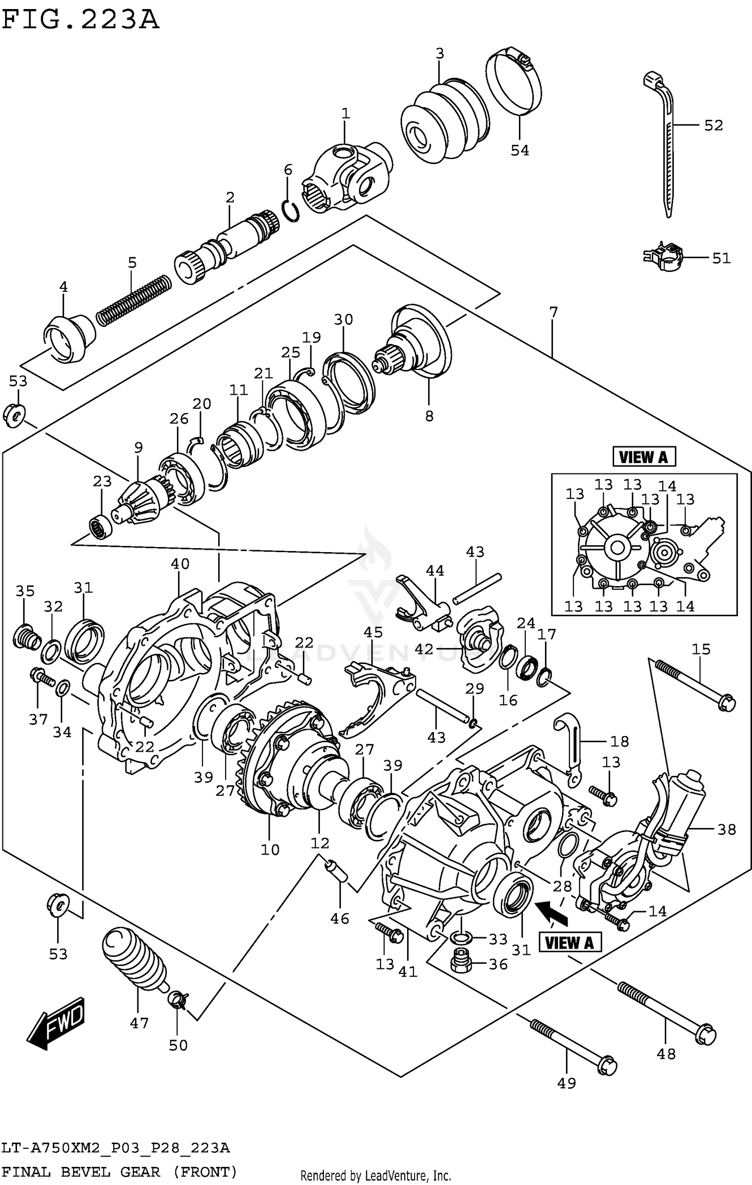
2022 Suzuki KING QUAD 750X FINAL BEVEL GEAR (FRONT)

Set this as my ride
FINAL BEVEL GEAR (FRONT)

WARNING Cancer and Reproductive Harm www.P65Warnings.ca.gov.

All 2022 Suzuki KING QUAD 750X Part Groups
Added to your cart
CLOSE