LUCKY YOU! Extra 10% Off Clearance | Use Code POTOGOLD10 Limited Time! Ends 3/18 Shop Now
CLOSE
Shipping to US Flag United States
Free shipping over $79
My Ride: 2000 Suzuki JR50
Moto Madness Sale | Get Up To 65% Off Parts & Gear Shop Now

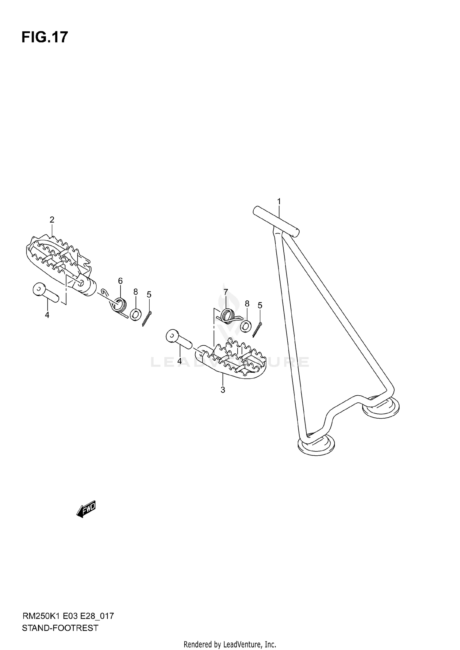
2003 Suzuki RM250 STAND - FOOTREST (MODEL K1/K2)

Set this as my ride
STAND - FOOTREST (MODEL K1/K2)

WARNING Cancer and Reproductive Harm www.P65Warnings.ca.gov.

All 2003 Suzuki RM250 Part Groups
Added to your cart
CLOSE