Kickstart your Riding Season with Bike Prep and Riding Gear Shop Now
CLOSE
Shipping to US Flag United States
Free shipping over $79
Moto Madness Sale | Get Up To 65% Off Parts & Gear Shop Now

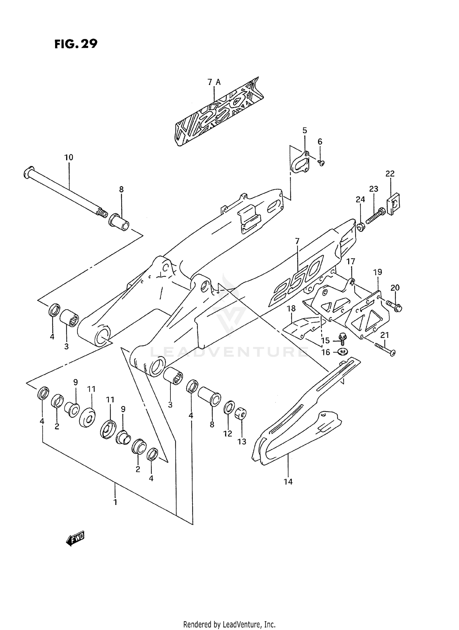
1994 Suzuki RM250 REAR SWINGING ARM

Set this as my ride
REAR SWINGING ARM

WARNING Cancer and Reproductive Harm www.P65Warnings.ca.gov.

  • # Part Retail Our Price
    Stock Status Suggested Quantity
  • 1
    61000-28E00 swinging arm assy, rear MODEL P->61000-28E11 Retail: $644.00 Price: $540.96
    Expected to Ship in 4-9 Days
  • 1
    61000-28E11 swinging arm assy, rear MODEL R->61000-28E11 Supersedes: 61000-28E10 (SWINGING ARM ASSY, REAR)
    This part is currently unavailable.
  • 1
    61000-28E11 swinging arm assy, rear WITH OUT EMBLEMMODEL S; Includes Item(s) 2 - 6
    This part is currently unavailable.
  • 2
    61261-28C00 bush Retail: $38.06 Price: $35.78
    Expected to Ship in 4-9 Days
  • 3
    09263-22017 bearing Retail: $27.50 Price: $25.85
    In Stock
  • 4
    09285-22006 .seal,oil (21x29x4) Supersedes: 09285-22001 (SEAL,OIL) Price: $5.37
    In Stock
  • 5
    61128-28E00 plate, inner
    This part is currently unavailable.
  • 6
    09126-05009 screw Price: $3.19
    In Stock
  • 7
    68381-28C10-12R emblem, 250 MODEL P Retail: $22.96 Price: $21.58
    Expected to Ship in 4-9 Days
  • 7A
    68381-29E00-C2N emblem, 250 MODEL R Supersedes: 68381-28E00-C2N (EMBLEM, 250)
    This part is currently unavailable.
  • 7A
    68381-29E00-D0K emblem, 250 MODEL S
    This part is currently unavailable.
  • 8
    61251-05D00 spacer, pivot
    This part is currently unavailable.
  • 9
    61252-28C00 spacer, inner Retail: $32.18 Price: $30.25
    Expected to Ship in 4-9 Days
  • 10
    61211-28C00 shaft, pivot Retail: $82.88 Price: $77.08
    In Stock
  • 11
    61262-28C11 cover,dust Supersedes: 61262-28C10 (COVER,DUST) Price: $9.97
    In Stock
  • 12
    08322-01167 washer MODEL P Supersedes: 08322-11168 (WASHER) Price: $2.70
    Expected to Ship in 4-9 Days
  • 12
    08322-0116A washer MODEL R/S Supersedes: 08322-01163 (WASHER) Price: $2.59
    In Stock
  • 13
    09159-16007 nut Retail: $15.35 Price: $14.43
    In Stock
  • 14
    61273-27C01 buffer, chain touch defense Retail: $68.58 Price: $63.78
    In Stock
  • 15
    01547-06167 bolt MODEL P Price: $2.29
    In Stock
  • 15
    01547-0616B bolt MODEL R/S Supersedes: 01547-06163 (BOLT) Price: $3.38
    In Stock
  • 16
    Expected to Ship in 4-9 Days
  • 17
    61341-27C20 guide, chain Retail: $48.70 Price: $45.78
    Expected to Ship in 4-9 Days
  • 18
    61348-27C20 defense, chain guide Retail: $33.80 Price: $31.77
    In Stock
  • 19
    61342-28E00 plate, guide outer Retail: $65.01 Price: $60.46
    Expected to Ship in 4-9 Days
  • 20
    01547-06207 bolt, upper MODEL P Supersedes: 09103-06235 (BOLT) Price: $2.82
    In Stock
  • 20
    01547-0620B ..bolt MODEL R/S Supersedes: 01547-06203 (BOLT) Price: $3.38
    In Stock
  • 21
    Expected to Ship in 4-9 Days
  • 22
    61445-28E10 washer, chain adjuster MODEL P Supersedes: 61445-28E00 (WASHER, CHAIN ADJUSTER)
    This part is currently unavailable.
  • 22
    61445-28E10 washer, chain adjuster MODEL R/S
    This part is currently unavailable.
  • 23
    09100-08287 bolt Supersedes: 09100-08287-A05 (BOLT (8X50)) Price: $4.35
    In Stock
  • 24
    09159-08034 nut Supersedes: 61447-03B00 (NUT) Price: $2.25
    In Stock
Added to your cart
CLOSE