Renthal Deal! Up To 10% Off Shop Now
CLOSE
Shipping to US Flag United States
Free shipping over $79
Moto Madness Sale | Get Up To 65% Off Parts & Gear Shop Now

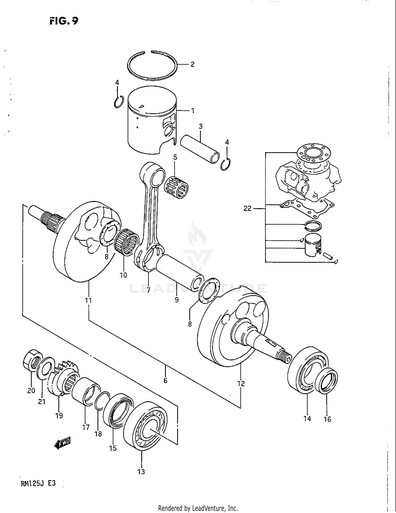
1987 Suzuki RM125 CRANKSHAFT (MODEL H)

Set this as my ride
CRANKSHAFT (MODEL H)

WARNING Cancer and Reproductive Harm www.P65Warnings.ca.gov.

  • # Part Retail Our Price
    Stock Status Suggested Quantity
  • 1
    12110-01B38-0F0 no description available Supersedes: 12110-01B36-0F0 (PISTON)
    This part is currently unavailable.
  • 1
    12103-01820-025 piston set, os: OPT Supersedes: 12110-01B36-025 (PISTON (OS:0.25)) Retail: $144.13 Price: $14.77
    In Stock
  • 1
    12103-01820-050 piston kit 0.5 OPT Supersedes: 12110-01B36-050 (PISTON (OS:0.5)) Retail: $133.82 Price: $113.75
    Expected to Ship in 4-9 Days
  • 2
    12141-01B11 no description available Supersedes: 12141-01B10 (RING, PISTON)
    This part is currently unavailable.
  • 2
    12141-01B11-025 no description available OPT Supersedes: 12141-01B10-025 (RING, PISTON (OS:0.25))
    This part is currently unavailable.
  • 2
    12141-01B11-050 no description available OPT Supersedes: 12141-01B10-050 (RING, PISTON (OS:0.5))
    This part is currently unavailable.
  • 3
    12151-01B00 pin, piston Retail: $18.78 Price: $17.65
    Expected to Ship in 4-9 Days
  • 4
    09381-14001 ring Price: $1.99
    In Stock
  • 5
    09263-14024 bearing, piston pin
    This part is currently unavailable.
  • 6
    12200-01B22 no description available Includes Item(s) 7 - 12 Supersedes: 12200-01B21 (CRANKSHAFT ASSY)
    This part is currently unavailable.
  • 7
    12161-12B01 rod, connecting Supersedes: 12161-01B21 (ROD, CONNECTING)
    This part is currently unavailable.
  • 8
    Expected to Ship in 4-9 Days
  • 9
    12211-27C00 pin, crank Supersedes: 12211-01B00 (PIN, CRANK) Retail: $43.31 Price: $40.71
    In Stock
  • 10
    09263-22060 bearing (22x28x16) Supersedes: 09263-22048-0C0 (BEARING) Retail: $80.00 Price: $74.40
    In Stock
  • 11
    12221-01B20 crankshaft, rh
    This part is currently unavailable.
  • 12
    12261-01B20 crankshaft, lh
    This part is currently unavailable.
  • 13
    09262-22025 bearing, rh (22x56x16) Supersedes: 09262-22020 (BEARING, RH) Retail: $70.23 Price: $65.31
    In Stock
  • 14
    09262-25070-0A0 bearing, lh Retail: $39.21 Price: $36.86
    Expected to Ship in 4-9 Days
  • 15
    09289-28007 oil seal, rh
    This part is currently unavailable.
  • 16
    09283-18006 oil seal, lh (18x30x6) Supersedes: 09283-18005 (OIL SEAL, LH) Retail: $12.75 Price: $12.63
    Expected to Ship in 4-9 Days
  • 17
    12359-14500 spacer
    This part is currently unavailable.
  • 18
    Expected to Ship in 4-9 Days
  • 19
    21111-40202 gear, primary drive (nt:19) Retail: $27.13 Price: $25.50
    Expected to Ship in 4-9 Days
  • 20
    09140-16019 nut Price: $5.18
    In Stock
  • 21
    In Stock
  • 22
    12100-01832 no description available OPT Supersedes: 12100-01830 (ENGINE TOP END KIT (STD)) Retail: $86.83 Price: $80.75
    Expected to Ship in 4-9 Days
  • 22
    12100-01832-025 no description available OPT Supersedes: 12100-01830-025 (ENGINE TOP END KIT (OS:0.25)) Retail: $84.30 Price: $78.40
    Expected to Ship in 4-9 Days
Added to your cart
CLOSE