Kickstart your Riding Season with Bike Prep and Riding Gear Shop Now
CLOSE
Shipping to US Flag United States
Free shipping over $79
My Ride: 2014 Can-Am OUTLANDER MAX 400 XT
Moto Madness Sale | Get Up To 65% Off Parts & Gear Shop Now

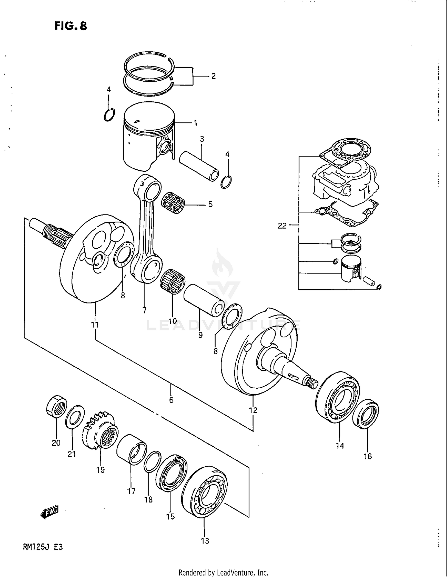
1987 Suzuki RM125 CRANKSHAFT (MODEL G)

Set this as my ride
CRANKSHAFT (MODEL G)

WARNING Cancer and Reproductive Harm www.P65Warnings.ca.gov.

  • # Part Retail Our Price
    Stock Status Suggested Quantity
  • 1
    12110-14513 piston
    This part is currently unavailable.
  • 1
    12103-14850-025 no description available OPT Supersedes: 12110-14513-025 (PISTON (OS:0.25))
    This part is currently unavailable.
  • 1
    12103-14850-050 no description available OPT Supersedes: 12110-14513-050 (PISTON (OS:0.5)) Retail: $99.73 Price: $92.75
    Expected to Ship in 4-9 Days
  • 2
    12140-14110 ring set, piston Retail: $56.10 Price: $52.17
    Expected to Ship in 4-9 Days
  • 2
    12140-14110-025 ring set, piston (os:0.25) OPT
    This part is currently unavailable.
  • 2
    12140-14110-050 ring set, piston (os:0.5) OPT Retail: $55.77 Price: $51.87
    Expected to Ship in 4-9 Days
  • 3
    12151-01B00 pin, piston Retail: $18.78 Price: $17.65
    Expected to Ship in 4-9 Days
  • 4
    09381-14001 ring Price: $1.99
    In Stock
  • 5
    09263-14024 bearing, piston pin Supersedes: 09263-14012 (BEARING, PISTON PIN)
    This part is currently unavailable.
  • 6
    12200-01B01 crankshaft assy Includes Item(s) 7 - 12
    This part is currently unavailable.
  • 7
    12161-01B00 rod, connecting
    This part is currently unavailable.
  • 8
    Expected to Ship in 4-9 Days
  • 9
    12211-27C00 pin, crank Supersedes: 12211-14501 (PIN, CRANK) Retail: $43.31 Price: $40.71
    In Stock
  • 10
    09263-22060 bearing (22x28x16) Supersedes: 09263-22034-0C0 (BEARING) Retail: $80.00 Price: $74.40
    In Stock
  • 11
    12221-01B02 crankshaft, rh Retail: $182.68 Price: $155.28
    Expected to Ship in 4-9 Days
  • 12
    12200-01B01 crankshaft assy Supersedes: 12261-01B01 (CRANKSHAFT, LH)
    This part is currently unavailable.
  • 13
    09262-22025 bearing, rh (22x56x16) Supersedes: 09262-22012 (BEARING, RH) Retail: $70.23 Price: $65.31
    In Stock
  • 14
    09262-25070-0A0 bearing, lh Retail: $39.21 Price: $36.86
    Expected to Ship in 4-9 Days
  • 15
    09289-28007 oil seal, rh
    This part is currently unavailable.
  • 16
    09283-18006 oil seal, lh (18x30x6) Supersedes: 09283-18005 (OIL SEAL, LH) Retail: $12.75 Price: $12.63
    Expected to Ship in 4-9 Days
  • 17
    12359-14500 spacer
    This part is currently unavailable.
  • 18
    Expected to Ship in 4-9 Days
  • 19
    21111-40202 gear, primary drive (nt:19) Retail: $27.13 Price: $25.50
    Expected to Ship in 4-9 Days
  • 20
    09140-16019 nut Price: $5.18
    In Stock
  • 21
    In Stock
  • 22
    12100-01810 engine top end kit (std) OPT
    This part is currently unavailable.
  • 22
    12100-01810-025 engine top end kit (os:0.25) OPT Retail: $79.41 Price: $73.85
    Expected to Ship in 4-9 Days
Added to your cart
CLOSE