LUCKY YOU! Extra 10% Off Clearance | Use Code POTOGOLD10 Limited Time! Ends 3/21 Shop Now
CLOSE
Shipping to US Flag United States
Free shipping over $79
My Ride: 2020 Cfmoto CFORCE 600
Moto Madness Sale | Get Up To 65% Off Parts & Gear Shop Now

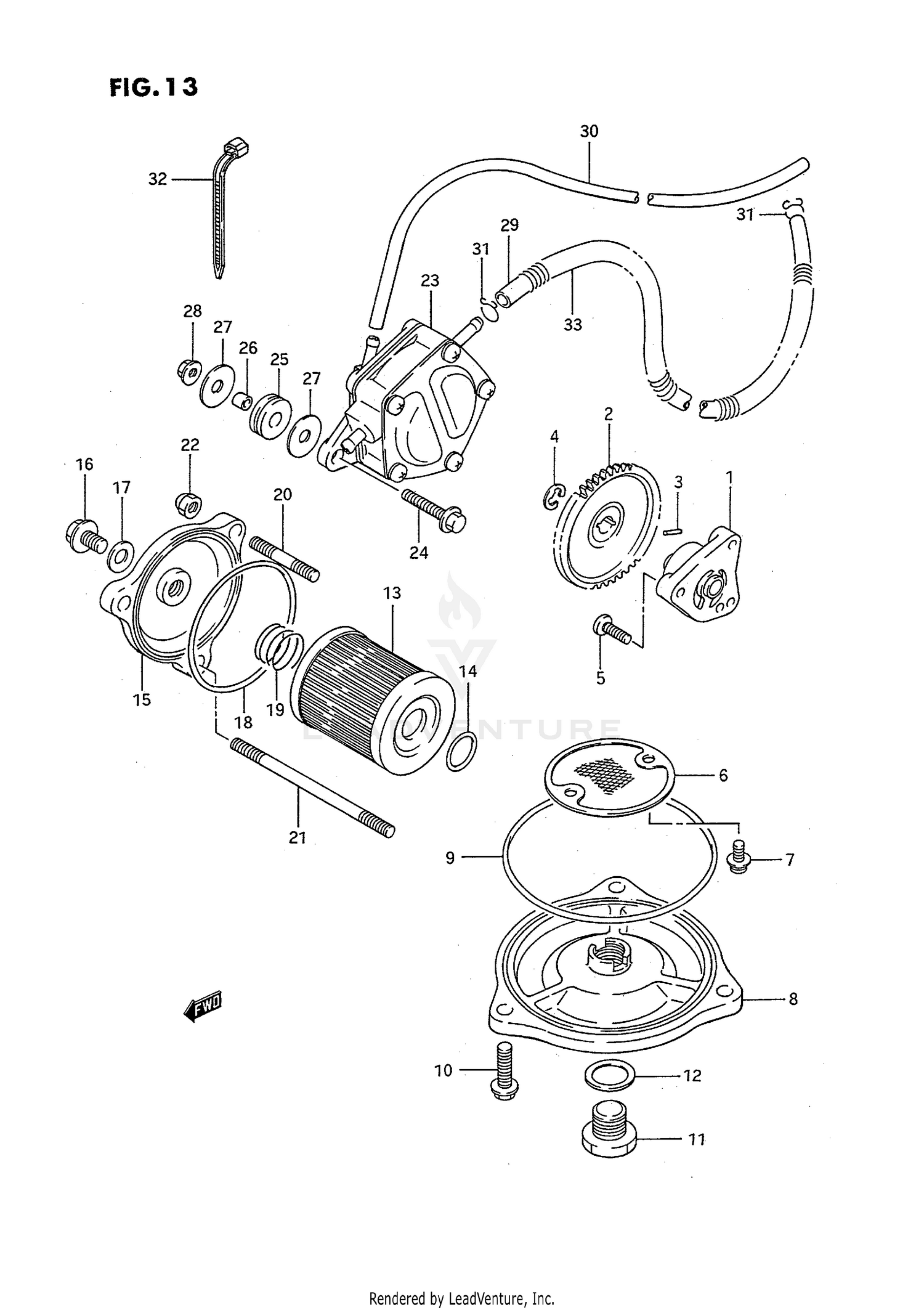
1987 Suzuki LT-4WD QUADRUNNER OIL PUMP - FUEL PUMP

Set this as my ride
OIL PUMP - FUEL PUMP

WARNING Cancer and Reproductive Harm www.P65Warnings.ca.gov.

All 1987 Suzuki LT-4WD QUADRUNNER Part Groups
Added to your cart
CLOSE