BOGOS End Today! | Buy One Get One Deals Shop Now
CLOSE
Shipping to US Flag United States
Free shipping over $79
Fast Cash Week Ends Today! | Earn $25 Fast Cash When You Spend $199 Learn More

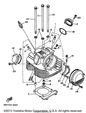
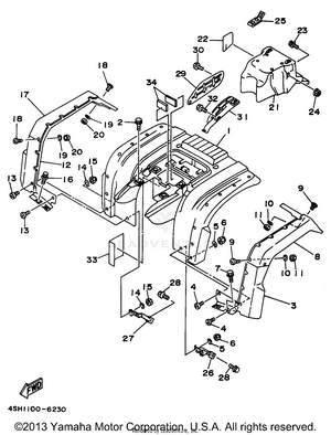
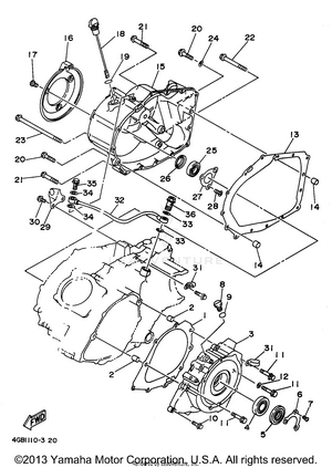
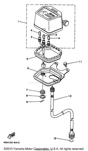
1998 Yamaha KODIAK 400 4X4 OEM Parts

Set this as my ride