FMF Exhausts Up To 10% Off Shop Now
CLOSE
Shipping to US Flag United States
Free shipping over $79
Moto Madness Sale | Get Up To 65% Off Parts & Gear Shop Now

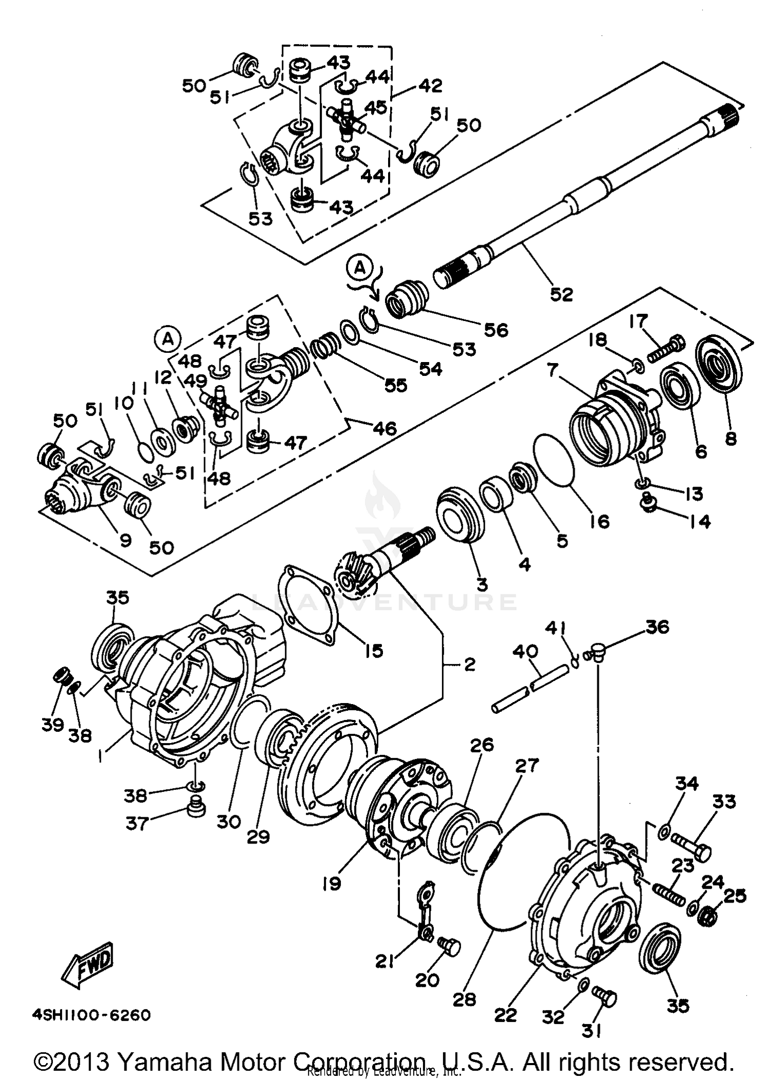
1998 Yamaha KODIAK 400 4X4 FRONT DIFFERENTIAL

Set this as my ride
FRONT DIFFERENTIAL

WARNING Cancer and Reproductive Harm www.P65Warnings.ca.gov.

Added to your cart
CLOSE