FMF Exhausts Up To 10% Off Shop Now
CLOSE
Shipping to US Flag United States
Free shipping over $79
Bargain Bin Blowout Ends Tomorrow! | Save 40-90% Off! Shop Now

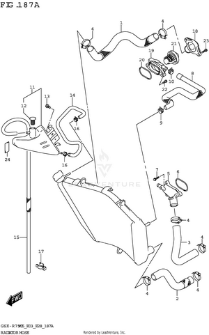
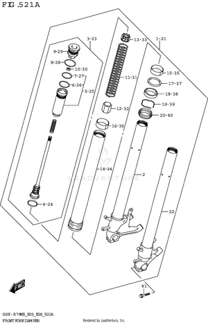
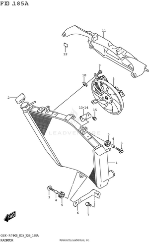
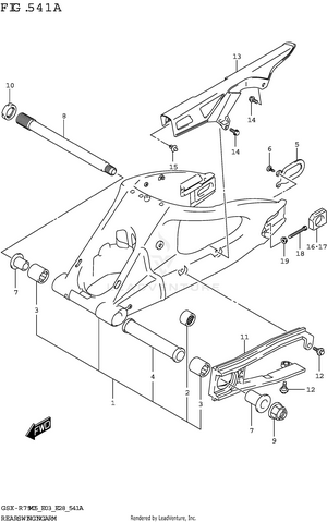
2025 Suzuki GSXR750M OEM Parts

Set this as my ride

View all parts for your 2025 Suzuki GSXR750M