Kickstart your Riding Season with Bike Prep and Riding Gear Shop Now
CLOSE
Shipping to US Flag United States
Free shipping over $79
Moto Madness Sale | Get Up To 65% Off Parts & Gear Shop Now

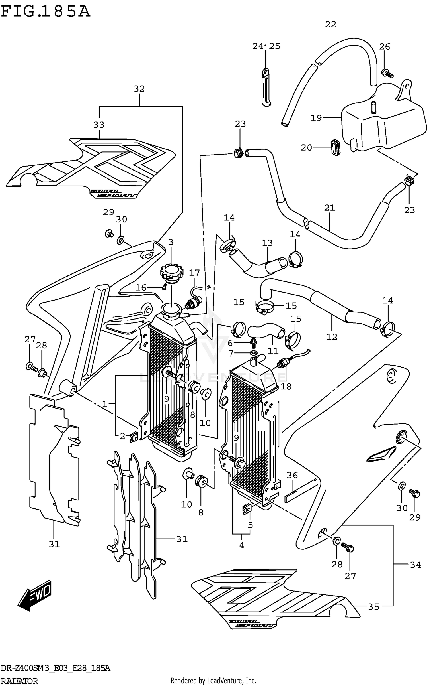
2023 Suzuki DRZ400SM RADIATOR (DR-Z400SM3 E03)

Set this as my ride
RADIATOR (DR-Z400SM3 E03)

WARNING Cancer and Reproductive Harm www.P65Warnings.ca.gov.

All 2023 Suzuki DRZ400SM Part Groups
Added to your cart
CLOSE