Renthal Deal! Up To 10% Off Shop Now
CLOSE
Shipping to US Flag United States
Free shipping over $79
My Ride: 2025 Cfmoto CFORCE 400
Moto Madness Sale | Get Up To 65% Off Parts & Gear Shop Now

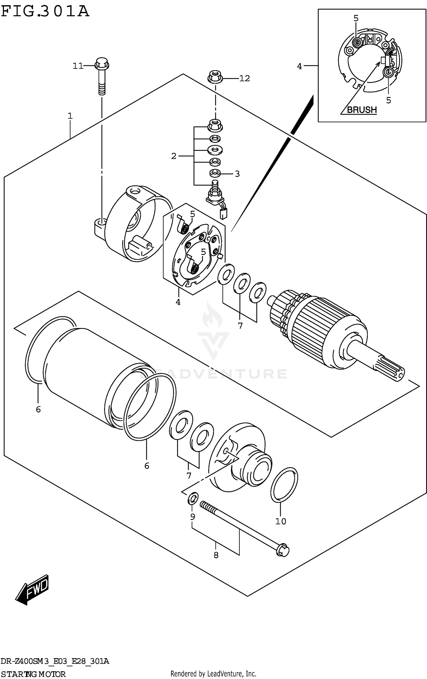
2023 Suzuki DRZ400SM STARTING MOTOR

Set this as my ride
STARTING MOTOR

WARNING Cancer and Reproductive Harm www.P65Warnings.ca.gov.

All 2023 Suzuki DRZ400SM Part Groups
Added to your cart
CLOSE