Tire Rebates! Get Up To $70 Back Shop Now
CLOSE
Shipping to US Flag United States
Free shipping over $79
Moto Madness Sale | Get Up To 65% Off Parts & Gear Shop Now

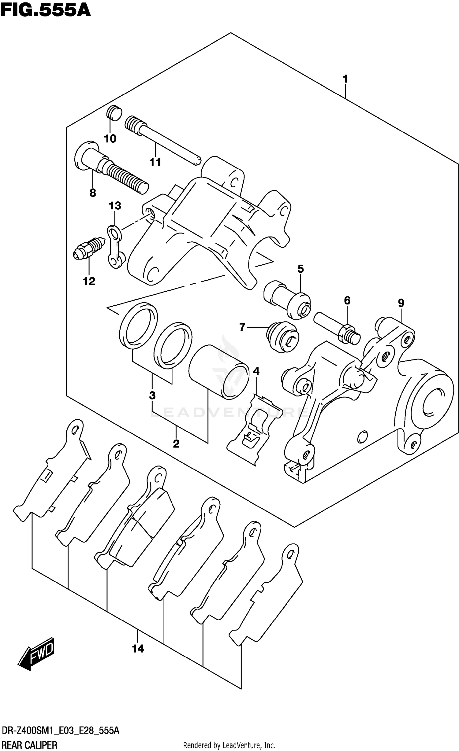
2021 Suzuki DRZ400SM REAR CALIPER (DR-Z400S)

Set this as my ride
REAR CALIPER (DR-Z400S)

WARNING Cancer and Reproductive Harm www.P65Warnings.ca.gov.

All 2021 Suzuki DRZ400SM Part Groups
Added to your cart
CLOSE