Kickstart your Riding Season with Bike Prep and Riding Gear Shop Now
CLOSE
Shipping to US Flag United States
Free shipping over $79
My Ride: 2012 Can-Am OUTLANDER MAX 650 XT
Moto Madness Sale | Get Up To 65% Off Parts & Gear Shop Now

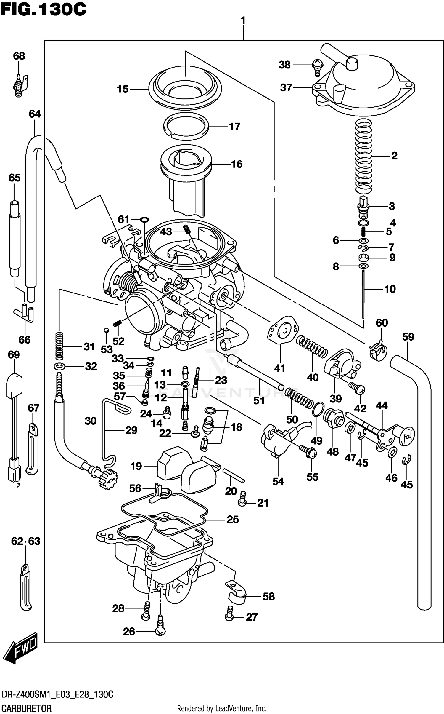
2021 Suzuki DRZ400SM CARBURETOR (E33)

Set this as my ride
CARBURETOR (E33)

WARNING Cancer and Reproductive Harm www.P65Warnings.ca.gov.

All 2021 Suzuki DRZ400SM Part Groups
Added to your cart
CLOSE