One Day Only! FREE 2-Day Shipping on Orders Over $99 with code RIDEOFF Shop Now
CLOSE
Shipping to US Flag United States
Free shipping over $79
My Ride: 1996 Triumph Thunderbird
Fast Cash Week | Earn $25 Fast Cash When You Spend $199 Learn More

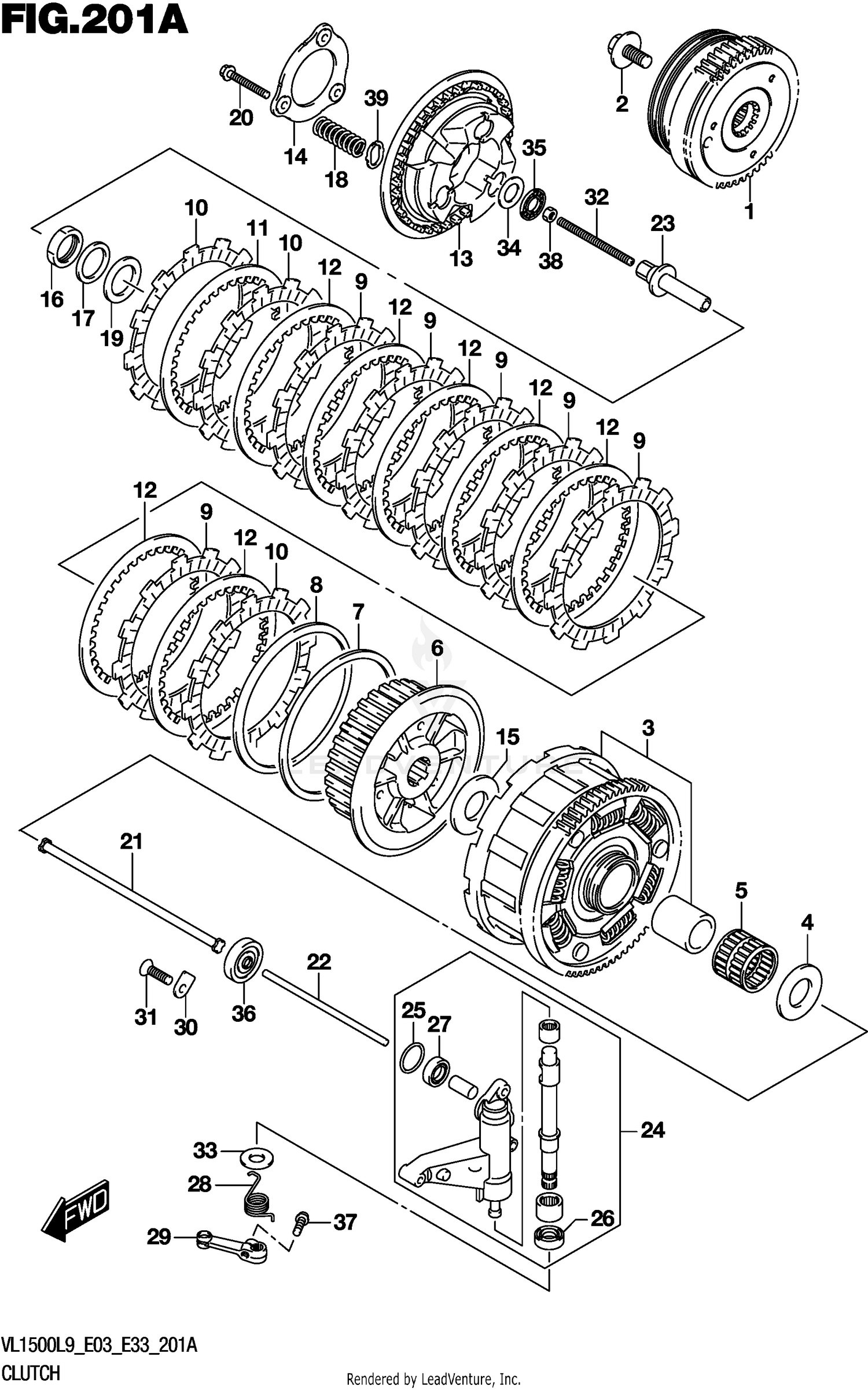
2019 Suzuki VL1500B CLUTCH

Set this as my ride
CLUTCH

WARNING Cancer and Reproductive Harm www.P65Warnings.ca.gov.

All 2019 Suzuki VL1500B Part Groups
Added to your cart
CLOSE