Kickstart your Riding Season with Bike Prep and Riding Gear Shop Now
CLOSE
Shipping to US Flag United States
Free shipping over $79
My Ride: 2012 Triumph Scrambler
Moto Madness Sale | Get Up To 65% Off Parts & Gear Shop Now

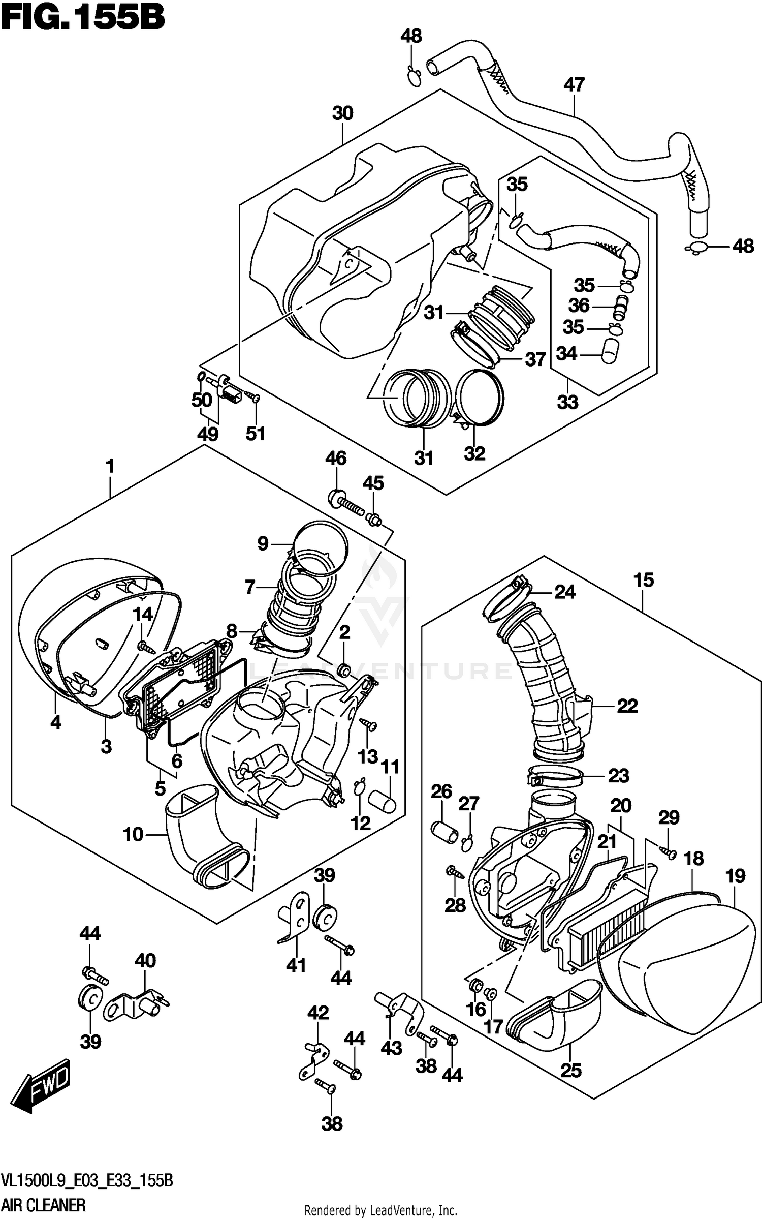
2019 Suzuki VL1500B AIR CLEANER (VL1500BL9 E33)

Set this as my ride
AIR CLEANER (VL1500BL9 E33)

WARNING Cancer and Reproductive Harm www.P65Warnings.ca.gov.

All 2019 Suzuki VL1500B Part Groups
Added to your cart
CLOSE