Kickstart your Riding Season with Bike Prep and Riding Gear Shop Now
CLOSE
Shipping to US Flag United States
Free shipping over $79
Bargain Bin Blowout! | Save 40-90% Off! Shop Now

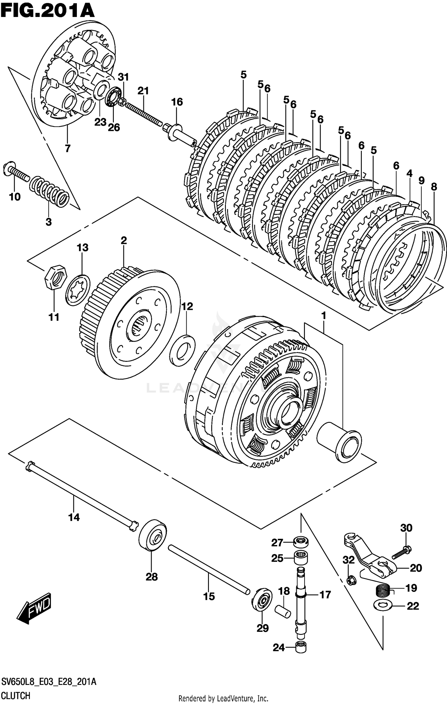
2018 Suzuki SV650 CLUTCH

Set this as my ride
CLUTCH

WARNING Cancer and Reproductive Harm www.P65Warnings.ca.gov.

All 2018 Suzuki SV650 Part Groups
Added to your cart
CLOSE