LUCKY YOU! Extra 10% Off Clearance | Use Code POTOGOLD10 Limited Time! Ends 3/21 Shop Now
CLOSE
Shipping to US Flag United States
Free shipping over $79
My Ride: 2025 Cfmoto CFORCE 400
Moto Madness Sale | Get Up To 65% Off Parts & Gear Shop Now

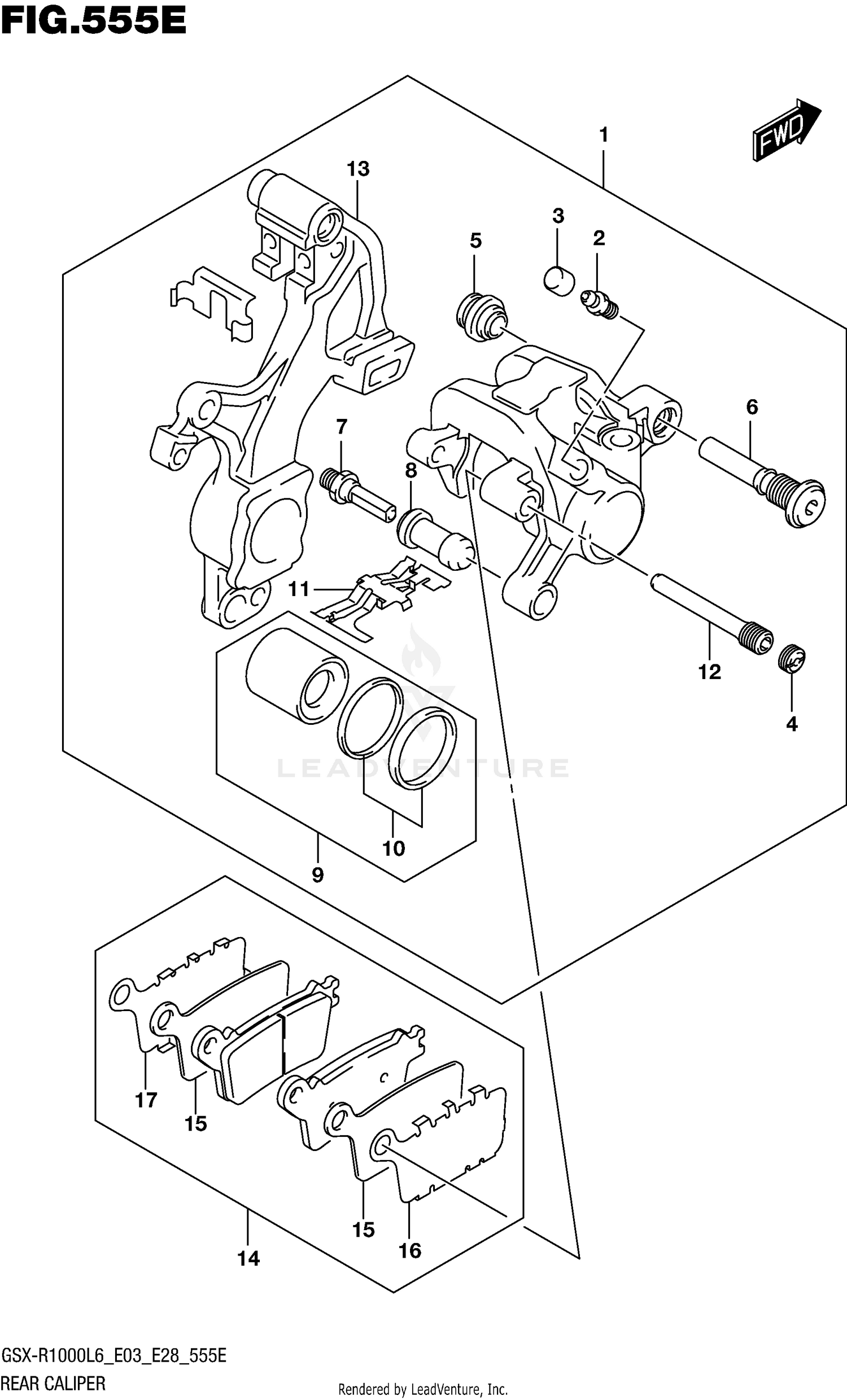
2016 Suzuki GSXR1000 REAR CALIPER (GSX-R1000AL6 E33)

Set this as my ride
REAR CALIPER (GSX-R1000AL6 E33)

WARNING Cancer and Reproductive Harm www.P65Warnings.ca.gov.

All 2016 Suzuki GSXR1000 Part Groups
Added to your cart
CLOSE