Kickstart your Riding Season with Bike Prep and Riding Gear Shop Now
CLOSE
Shipping to US Flag United States
Free shipping over $79
My Ride: 2017 Can-Am OUTLANDER 850 DPS
Moto Madness Sale | Get Up To 65% Off Parts & Gear Shop Now

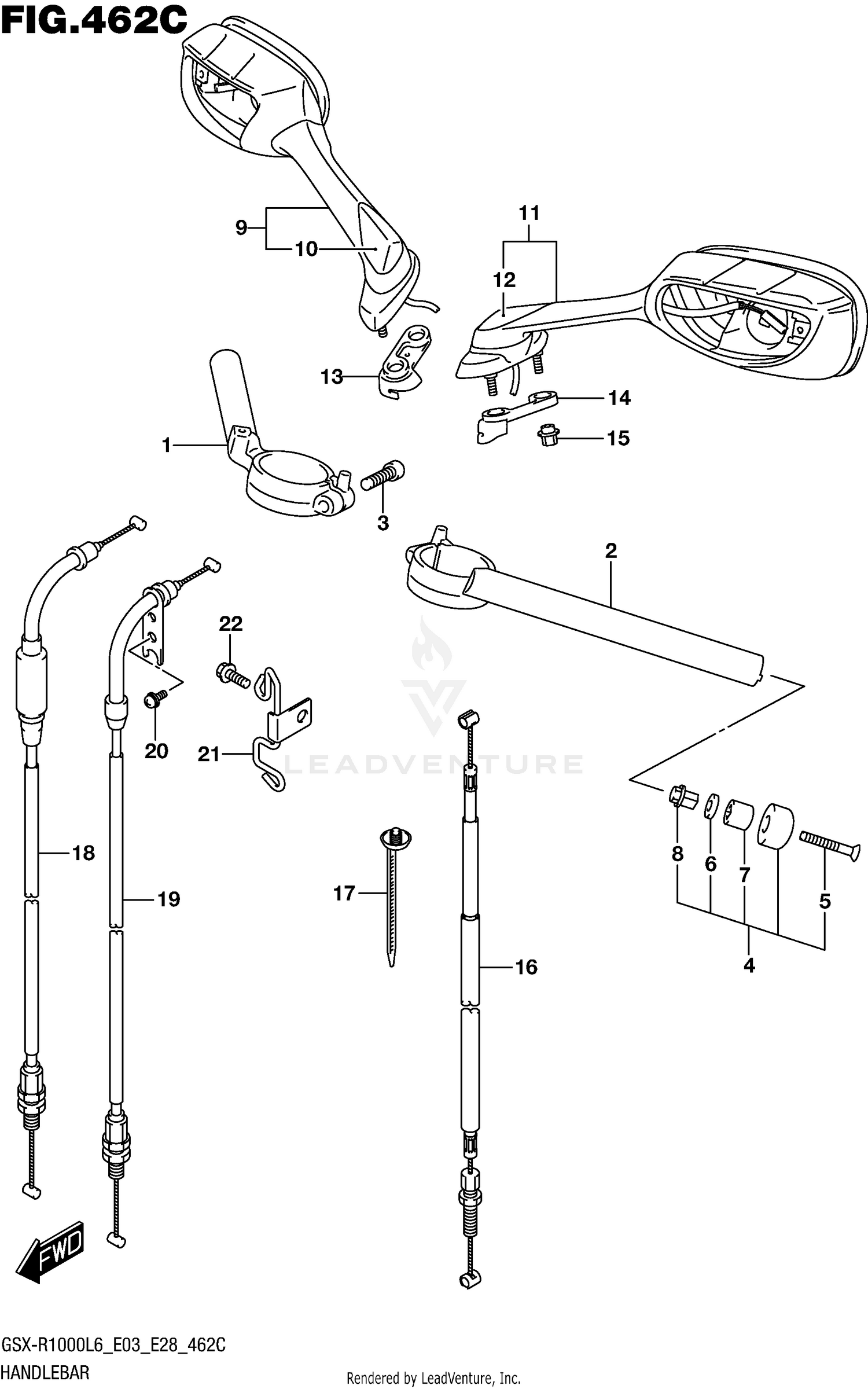
2016 Suzuki GSXR1000 HANDLEBAR (GSX-R1000L6 E33)

Set this as my ride
HANDLEBAR (GSX-R1000L6 E33)

WARNING Cancer and Reproductive Harm www.P65Warnings.ca.gov.

All 2016 Suzuki GSXR1000 Part Groups
Added to your cart
CLOSE