Kickstart your Riding Season with Bike Prep and Riding Gear Shop Now
CLOSE
Shipping to US Flag United States
Free shipping over $79
Bargain Bin Blowout! | Save 40-90% Off! Shop Now

2007 Suzuki BOULEVARD C50 - VL800B OEM Parts

Set this as my ride

View all parts for your 2007 Suzuki BOULEVARD C50 - VL800B

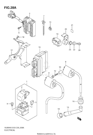
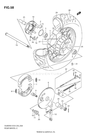
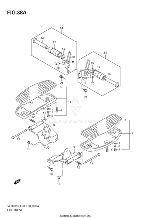
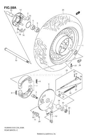
AIR CLEANER (MODEL K6/K7/K8) AIR CLEANER (MODEL K9) BACKREST, MOUNTS, SADDLEBAGS C50T BATTERY CAM CHAIN CAMSHAFT - VALVE CLUTCH CRANKCASE CRANKCASE COVER CRANKSHAFT CYLINDER ELECTRICAL (MODEL K6/K7/K8) ELECTRICAL (MODEL K9 E3,E28) ELECTRICAL (MODEL K9 E33) EVAP SYSTEM (MODEL K6/K7/K8 E33) EVAP SYSTEM (MODEL K9 E33) FOOTREST (MODEL K6/K7/K8) FOOTREST (MODEL K9) FRAME (MODEL K6/K7/K8) FRAME (MODEL K9) FRAME BRACE FRAME COVER (MODEL K8) FRAME COVER (MODEL K9) FRAME COVER (VL800CK6) FRAME COVER (VL800CK7) FRAME COVER (VL800K6/TK6) FRAME COVER (VL800K7/TK7) FRONT CALIPER FRONT CYLINDER HEAD (MODEL K6/K7/K8) FRONT CYLINDER HEAD (MODEL K9) FRONT DAMPER FRONT FENDER (MODEL K9) FRONT FENDER (VL800CK7) FRONT FENDER (VL800CK8) FRONT FENDER (VL800K6/TK6/CK6/K7/TK7) FRONT FENDER (VL800K8) FRONT FENDER (VL800TK8) FRONT MASTER CYLINDER (MODEL K6) FRONT MASTER CYLINDER (MODEL K7/K8/K9) FRONT WHEEL (VL800CK6/CK7/CK8/CK9) FRONT WHEEL (VL800K6/TK6/K7/TK7/K8/TK8/K9/TK9) FUEL PUMP FUEL TANK (MODEL K9) FUEL TANK (VL800CK6/CK7/CK8) FUEL TANK (VL800K6/TK6) FUEL TANK (VL800K7/TK7/K8/TK8) FUEL TANK COVER (MODEL K9) GASKET SET GEAR SHIFTING HANDLE LEVER (MODEL K6) HANDLE LEVER (MODEL K7/K8/K9) HANDLE SWITCH (MODEL K6) HANDLE SWITCH (MODEL K7/K8/K9) HANDLEBAR HEADLAMP ASSY HEADLAMP HOUSING LABEL LUGGAGE BOX MAGNETO MUFFLER (MODEL K6/K7/K8) MUFFLER (MODEL K9) OIL PUMP OPTIONAL PROPELLER SHAFT - FINAL DRIVE GEAR (SEE NOTE) PROPELLER SHAFT - FINAL DRIVE GEAR (VL800CK7/CK8/CK9) RADIATOR RADIATOR HOSE REAR COMBINATION LAMP (MODEL K6/K7/K8) REAR COMBINATION LAMP (MODEL K9) REAR CUSHION LEVER REAR CYLINDER HEAD (MODEL K6/K7/K8) REAR CYLINDER HEAD (MODEL K9) REAR FENDER (MODEL K9) REAR FENDER (VL800CK7) REAR FENDER (VL800CK8) REAR FENDER (VL800K6/TK6/CK6/K7/TK7) REAR FENDER (VL800K8) REAR FENDER (VL800TK8) REAR SWINGING ARM REAR WHEEL (VL800CK6/CK7/CK8/CK9) REAR WHEEL (VL800K6/TK6/K7/TK7/K8/TK8/K9/TK9) SEAT (VL800CK7/CK8) SEAT (VL800K6/K7/K8) SEAT (VL800K9/CK9) SEAT (VL800TK6/CK6/TK7/TK8) SEAT (VL800TK9) SECOND AIR (MODEL K6/K7/K8) SECOND AIR (MODEL K9) SECONDARY DRIVE GEAR SPEEDOMETER (VL800CK7/CK8) SPEEDOMETER (VL800CK9) SPEEDOMETER (VL800K6/TK6/CK6) SPEEDOMETER (VL800K7/K8/TK7/TK8) SPEEDOMETER (VL800K9/TK9) STAND - REAR BRAKE STARTER CLUTCH STARTING MOTOR STEERING STEM THROTTLE BODY (MODEL K6/K7/K8) THROTTLE BODY (MODEL K9) TRANSMISSION TURNSIGNAL FRONT & REAR LAMP (MODEL K6) TURNSIGNAL FRONT & REAR LAMP (MODEL K7/K8) TURNSIGNAL FRONT & REAR LAMP (MODEL K9) WATER PUMP WINDSHIELD C50T WIRING HARNESS (MODEL K6/K7/K8) WIRING HARNESS (MODEL K9)