Tire Rebates! Get Up To $70 Back Shop Now
CLOSE
Shipping to US Flag United States
Free shipping over $79
My Ride: 2013 Can-Am OUTLANDER MAX 400
Moto Madness Sale | Get Up To 65% Off Parts & Gear Shop Now

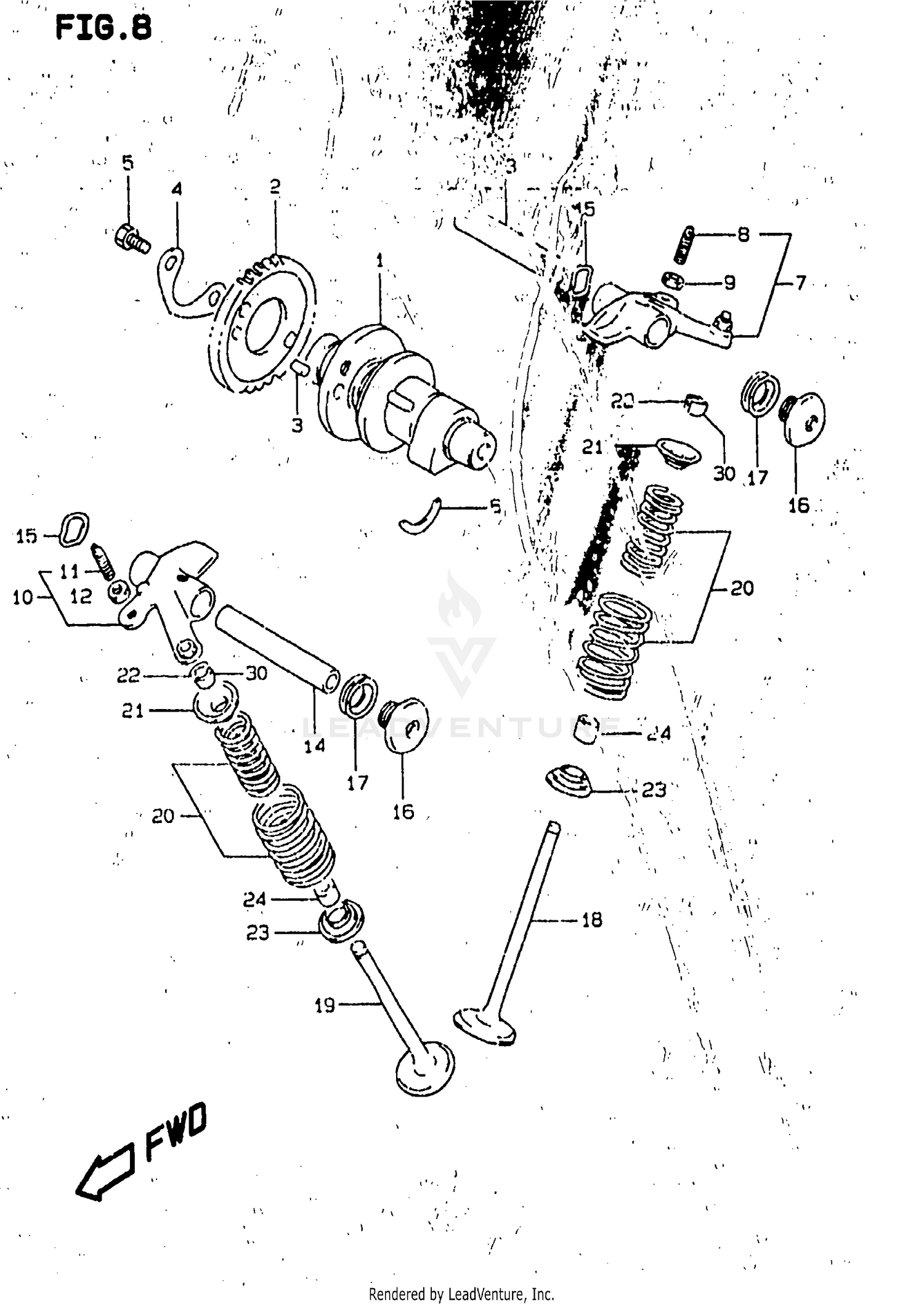
1999 Suzuki DR350S CAM SHAFT-VALVE

Set this as my ride
CAM SHAFT-VALVE

WARNING Cancer and Reproductive Harm www.P65Warnings.ca.gov.

Added to your cart
CLOSE