Renthal Deal! Up To 10% Off Shop Now
CLOSE
Shipping to US Flag United States
Free shipping over $79
Moto Madness Sale | Get Up To 65% Off Parts & Gear Shop Now

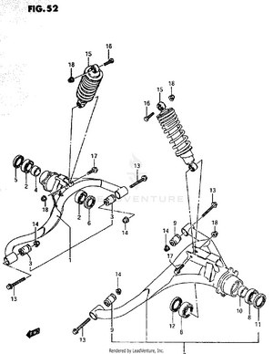
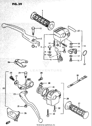
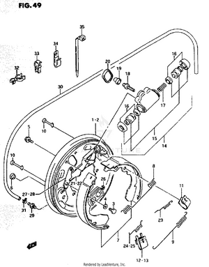
1997 Suzuki LT-F300F KING QUAD 4X4 OEM Parts

Set this as my ride