Kickstart your Riding Season with Bike Prep and Riding Gear Shop Now
CLOSE
Shipping to US Flag United States
Free shipping over $79
My Ride: 2025 Yamaha YZF - R1
Moto Madness Sale | Get Up To 65% Off Parts & Gear Shop Now

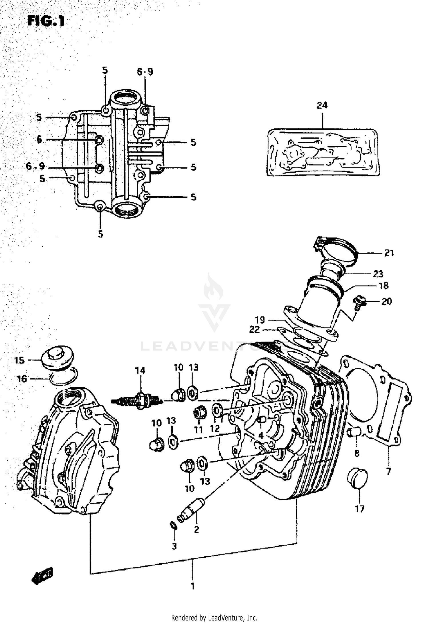
1997 Suzuki LT-F300F KING QUAD 4X4 CYLINDER HEAD

Set this as my ride
CYLINDER HEAD

WARNING Cancer and Reproductive Harm www.P65Warnings.ca.gov.

Added to your cart
CLOSE