Kickstart your Riding Season with Bike Prep and Riding Gear Shop Now
CLOSE
Shipping to US Flag United States
Free shipping over $79
Moto Madness Sale | Get Up To 65% Off Parts & Gear Shop Now

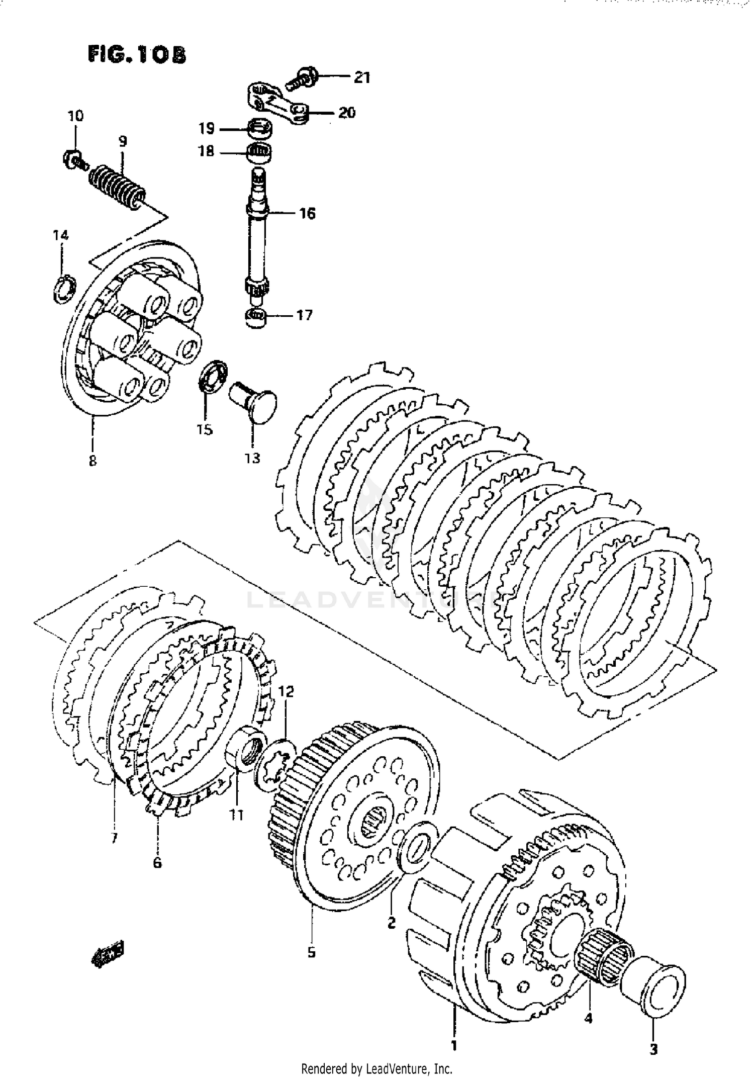
1995 Suzuki RMX250 CLUTCH (MODEL R/S)

Set this as my ride
CLUTCH (MODEL R/S)

WARNING Cancer and Reproductive Harm www.P65Warnings.ca.gov.

All 1995 Suzuki RMX250 Part Groups
Added to your cart
CLOSE