Acerbis Plastic Kits Starting At $119.99 Shop Now
CLOSE
Shipping to US Flag United States
Free shipping over $79
My Ride: 2006 Yamaha BLASTER
Fast Cash Week Ends Today! | Earn $10 When you Spend $99 + $25 When You Spend $199 Shop Now

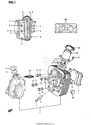
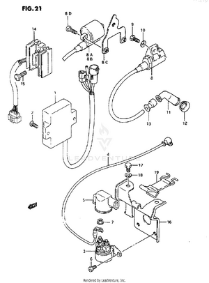
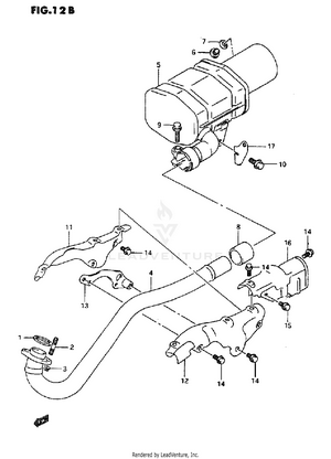
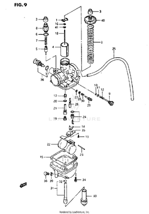
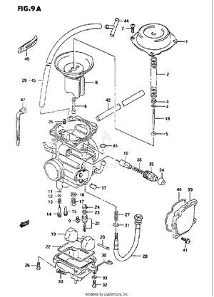
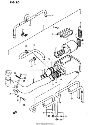
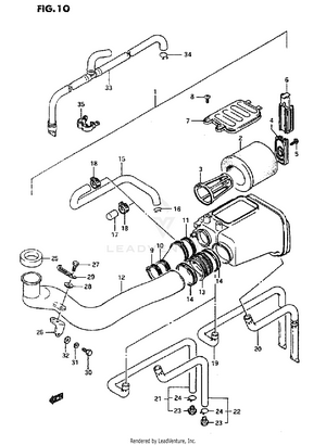
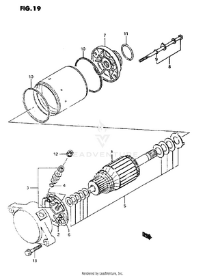
1995 Suzuki LT-F250 QUADRUNNER 2X4 OEM Parts

Set this as my ride