LUCKY YOU! Extra 10% Off Clearance | Use Code POTOGOLD10 Limited Time! Ends 3/21 Shop Now
CLOSE
Shipping to US Flag United States
Free shipping over $79
My Ride: 2025 Yamaha YZF - R1
Moto Madness Sale | Get Up To 65% Off Parts & Gear Shop Now

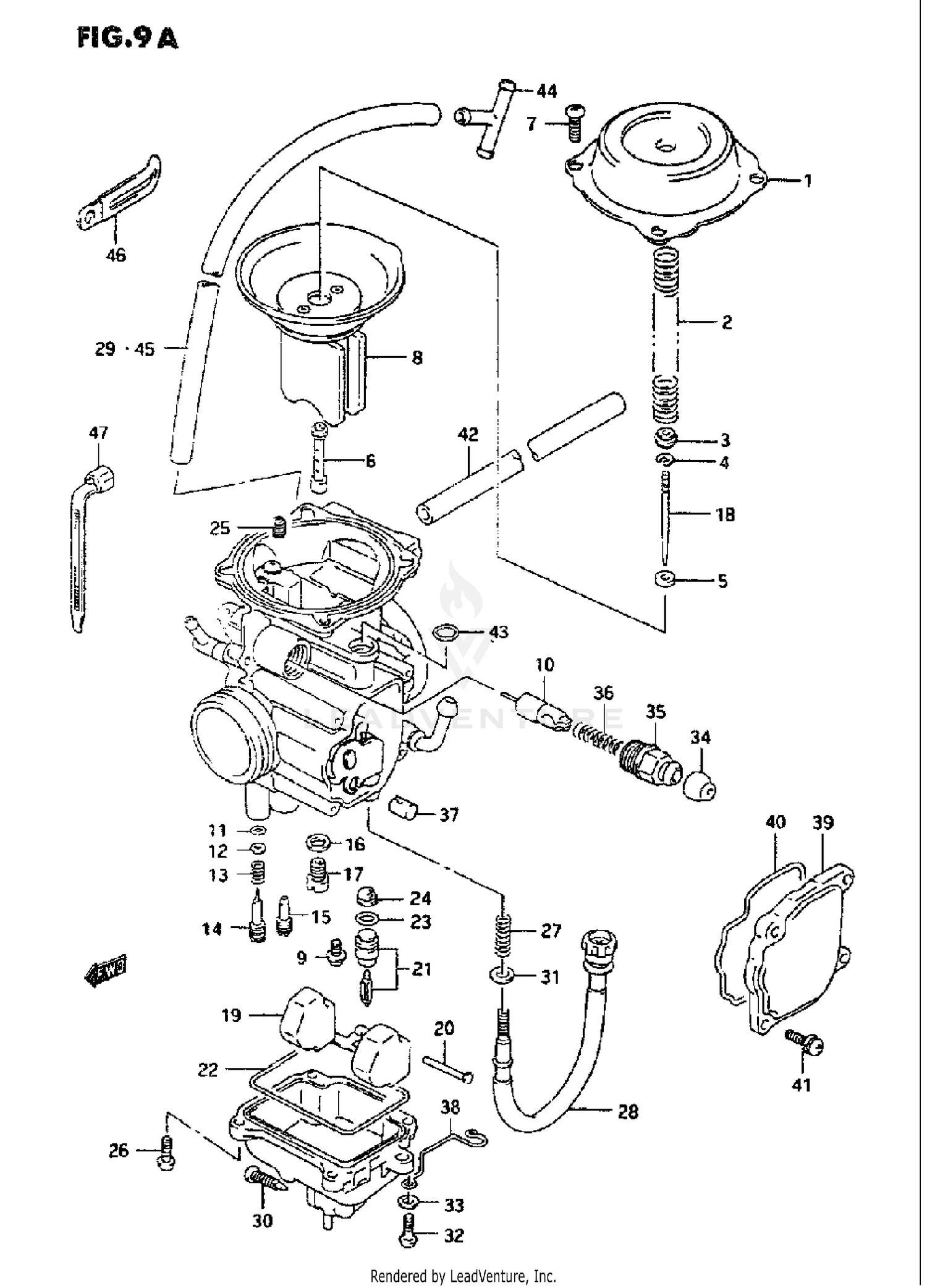
1995 Suzuki LT-F250 QUADRUNNER 2X4 CABURETOR (MODEL L\M\N\P\R\S\T)

Set this as my ride
CABURETOR (MODEL L\M\N\P\R\S\T)

WARNING Cancer and Reproductive Harm www.P65Warnings.ca.gov.

  • # Part Retail Our Price
    Stock Status Suggested Quantity
  • 1
    13200-19B65 carburetor assy MODEL L ->13200-19B62 W/09359-50823-00A 1PC Supersedes: 13200-19B60 (CARBURETOR ASSY)
    This part is currently unavailable.
  • 1
    13200-19B65 carburetor assy MODEL M/N Supersedes: 13200-19B62 (CARBURETOR ASSY)
    This part is currently unavailable.
  • 1
    13200-19B65 carburetor assy MODEL P/R -F.NO.2102207 Supersedes: 13200-19B63 (CARBURETOR ASSY)
    This part is currently unavailable.
  • 1
    13200-19BA3 carburetor assy MODEL R/S F.NO.2102208- Supersedes: 13200-19BA0 (CARBURETOR ASSY)
    This part is currently unavailable.
  • 1
    13200-19BA3 carburetor assy MODEL T Supersedes: 13200-19BA1 (CARBURETOR ASSY)
    This part is currently unavailable.
  • 1
    13502-42A00 cover Retail: $41.56 Price: $39.07
    Expected to Ship in 4-9 Days
  • 2
    Expected to Ship in 4-9 Days
  • 3
    13382-42A00 ring Price: $6.36
    Expected to Ship in 4-9 Days
  • 4
    13394-10010 e ring Retail: $6.79 Price: $1.77
    In Stock
  • 5
    13387-47010 ring Price: $10.56
    Expected to Ship in 4-9 Days
  • 6
    09494-00512 jet. needle (p-4)
    This part is currently unavailable.
  • 7
    02112-0408A screw MODEL L/M/N/P/R/S Supersedes: 02112-04085 (SCREW) Price: $1.53
    In Stock
  • 7
    02112-04087 screw MODEL T Price: $1.55
    Expected to Ship in 4-9 Days
  • 8
    13500-19B63 diaphragm assy MODEL L/M/N Supersedes: 13500-19B62 (OIAPHRAGM ASSY) Retail: $230.58 Price: $195.99
    Expected to Ship in 4-9 Days
  • 8
    13500-19B63 diaphragm assy MODEL P/R/S Supersedes: 13500-19B62 (OIAPHRAGM ASSY) Retail: $230.58 Price: $195.99
    Expected to Ship in 4-9 Days
  • 8
    13500-19B63 diaphragm assy MODEL T Supersedes: 13500-19B62 (OIAPHRAGM ASSY) Retail: $230.58 Price: $195.99
    Expected to Ship in 4-9 Days
  • 9
    13602-43410 screw Price: $4.04
    Expected to Ship in 4-9 Days
  • 10
    13411-19B50 plunger assy Retail: $18.96 Price: $17.82
    Expected to Ship in 4-9 Days
  • 11
    13295-29901 o-ring Supersedes: 13295-29900 (O RING) Price: $6.16
    In Stock
  • 12
    In Stock
  • 13
    Expected to Ship in 4-9 Days
  • 14
    13279-47070 screw. pilot (2 7/8) Retail: $16.51 Price: $15.52
    Expected to Ship in 4-9 Days
  • 15
    09492-40014 -jet, pilot (40) Retail: $11.58 Price: $10.89
    Expected to Ship in 4-9 Days
  • 16
    13382-03110 washer, needle jet Supersedes: 13332-44080 (WASHER) Price: $3.78
    In Stock
  • 17
    09491-24013 jet, main (122.5) Retail: $11.97 Price: $11.25
    Expected to Ship in 4-9 Days
  • 18
    13383-19B60 needle, jet (j8-5d67)
    This part is currently unavailable.
  • 19
    13250-42A00 float Retail: $42.11 Price: $39.58
    Expected to Ship in 4-9 Days
  • 20
    13254-92311 pin Price: $2.67
    Expected to Ship in 4-9 Days
  • 21
    13370-44500 valve assy, needle (2.0) MODEL L/M/N/P/R/S Supersedes: 13370-42A10 (VALVE ASSY, NEEDLE) Retail: $62.98 Price: $58.57
    Expected to Ship in 4-9 Days
  • 21
    13370-44500 valve assy. needle MODEL T Retail: $62.98 Price: $58.57
    Expected to Ship in 4-9 Days
  • 22
    13251-42A00 0 ring, float chamber Retail: $11.15 Price: $10.48
    Expected to Ship in 4-9 Days
  • 23
    13374-35C00 o ring Supersedes: 13374-44080 (O RING) Price: $8.51
    In Stock
  • 24
    13376-19F00 filter Supersedes: 13376-84110 (FILTER) Retail: $12.71 Price: $11.95
    Expected to Ship in 4-9 Days
  • 25
    09493-32002 jet, pilot air (160) Retail: $17.40 Price: $16.36
    Expected to Ship in 4-9 Days
  • 26
    02112-0412A screw MODEL L/M/N/P/R/S Supersedes: 02112-04123 (SCREW) Price: $1.73
    In Stock
  • 26
    02112-0412A screw MODEL T Supersedes: 02112-04123 (SCREW) Price: $1.73
    In Stock
  • 27
    Expected to Ship in 4-9 Days
  • 28
    13260-19BV0 adjuster MODEL L Supersedes: 13267-19B50 (ADJUSTER)
    This part is currently unavailable.
  • 28
    13267-19B70 adjuster MODEL M/N/P/R/S/T Retail: $64.40 Price: $59.89
    Expected to Ship in 4-9 Days
  • 29
    09351-50803-00B hose (5x8x2000) MODEL L Supersedes: 09351-50803-00A (HOSE, OVERFLOW) Retail: $11.08 Price: $10.42
    In Stock
  • 30
    13247-02340 screw, drain Supersedes: 13247-19C00 (SCREW, DRAIN) Price: $7.08
    In Stock
  • 31
    Expected to Ship in 4-9 Days
  • 32
    02112-0416A screw MODEL L/M/N/P/R/S Supersedes: 02112-04163 (SCREW | MODEL T) Price: $1.73
    Expected to Ship in 4-9 Days
  • 32
    02112-0416A screw MODEL I Supersedes: 02112-04163 (SCREW | MODEL T) Price: $1.73
    Expected to Ship in 4-9 Days
  • 33
    08322-0104A washer MODEL L/M/N/P/R/S Supersedes: 08322-01043 (WASHER) Price: $2.68
    In Stock
  • 33
    08322-0104A washer MODEL T Supersedes: 08322-01043 (WASHER) Price: $2.68
    In Stock
  • 34
    13681-04011 .cap Supersedes: 13681-04010 (CARBURETOR CAP) Price: $7.00
    In Stock
  • 35
    In Stock
  • 36
    Expected to Ship in 4-9 Days
  • 37
    13591-19B50 guide, cable Retail: $12.71 Price: $11.95
    Expected to Ship in 4-9 Days
  • 38
    13692-19B50 clip MODEL L
    This part is currently unavailable.
  • 38
    13692-19B60 clip MODEL M/N/P/R/S/T
    This part is currently unavailable.
  • 39
    13502-19B50 cover Retail: $21.72 Price: $20.42
    Expected to Ship in 4-9 Days
  • 40
    13251-19B50 0 ring Retail: $13.30 Price: $12.50
    Expected to Ship in 4-9 Days
  • 41
    13602-19B50 screw Price: $4.86
    In Stock
  • 42
    09355-45001-600 hose(4.5x8.5x60 MODEL R/S F.NO.2102208- Supersedes: 09354-45853-600 (HOSE) Retail: $11.54 Price: $10.85
    In Stock
  • 43
    09280-06008 o ring (d:1.7,id:6.0) Supersedes: 09280-06009 (0 RING) Price: $2.85
    In Stock
  • 44
    Expected to Ship in 4-9 Days
  • 45
    09359-50823-00B hose, air vent MODEL M/N/P/R/S/T L:2000->650
    This part is currently unavailable.
  • 46
    09404-06435 clamp, air vent hose MODEL M/N/P/R Supersedes: 09404-06419 (CLAMP, AIR VENT HOSE) Price: $4.45
    Expected to Ship in 4-9 Days
  • 46
    09404-06435 clamp, air vent hose MODEL S/T Price: $4.45
    Expected to Ship in 4-9 Days
  • 46
    09404-06429 clamp, boost hose MODEL S/T
    This part is currently unavailable.
  • 47
    09407-14403 clamp, boost hose MODEL S/T Supersedes: 09407-08401 (CLAMP (L:125)) Price: $3.13
    In Stock
Added to your cart
CLOSE