Kickstart your Riding Season with Bike Prep and Riding Gear Shop Now
CLOSE
Shipping to US Flag United States
Free shipping over $79
My Ride: 2012 Triumph Scrambler
Moto Madness Sale | Get Up To 65% Off Parts & Gear Shop Now

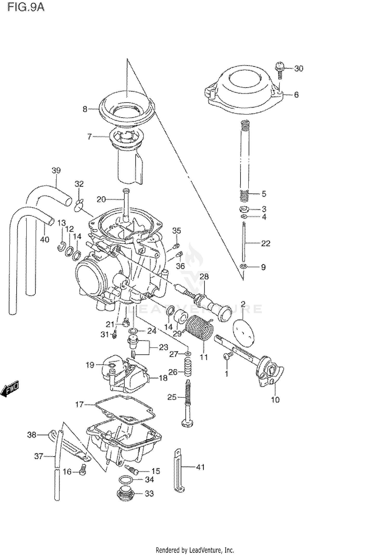
1994 Suzuki DR350S CARBURETOR (MODEL N/P)

Set this as my ride
CARBURETOR (MODEL N/P)

WARNING Cancer and Reproductive Harm www.P65Warnings.ca.gov.

All 1994 Suzuki DR350S Part Groups
Added to your cart
CLOSE