Kickstart your Riding Season with Bike Prep and Riding Gear Shop Now
CLOSE
Shipping to US Flag United States
Free shipping over $79
Moto Madness Sale | Get Up To 65% Off Parts & Gear Shop Now

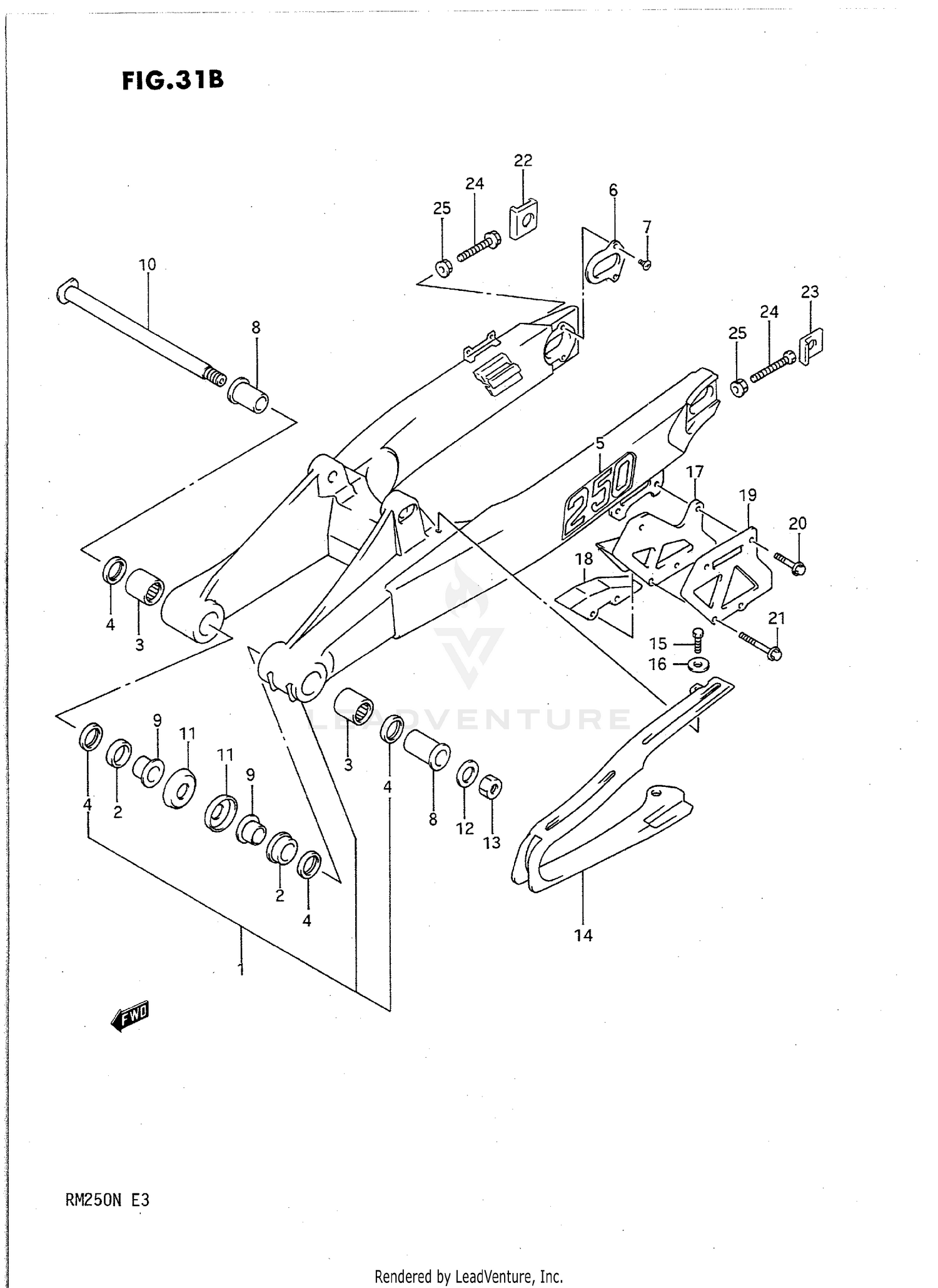
1992 Suzuki RM250 REAR SWINGING ARM (MODEL N)

Set this as my ride
REAR SWINGING ARM (MODEL N)

WARNING Cancer and Reproductive Harm www.P65Warnings.ca.gov.

All 1992 Suzuki RM250 Part Groups
Added to your cart
CLOSE