Kickstart your Riding Season with Bike Prep and Riding Gear Shop Now
CLOSE
Shipping to US Flag United States
Free shipping over $79
Moto Madness Sale | Get Up To 65% Off Parts & Gear Shop Now

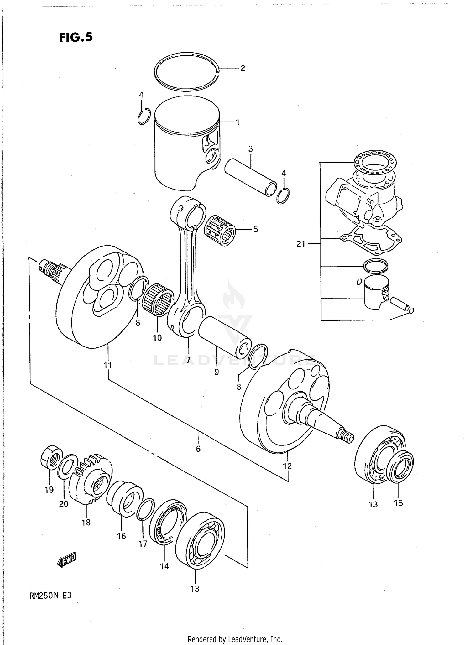
1992 Suzuki RM250 CRANKSHAFT (MODEL K)

Set this as my ride
CRANKSHAFT (MODEL K)

WARNING Cancer and Reproductive Harm www.P65Warnings.ca.gov.

  • # Part Retail Our Price
    Stock Status Suggested Quantity
  • 1
    12110-29E20-0F0 piston Supersedes: 12110-28C11-0F0 (PISTON)
    This part is currently unavailable.
  • 2
    12141-41620 ring, piston Supersedes: 12141-41600 (RING, PISTON)
    This part is currently unavailable.
  • 3
    12151-37F00 pin, piston Supersedes: 12151-28C00 (PIN, PISTON) Retail: $15.29 Price: $14.37
    Expected to Ship in 4-9 Days
  • 4
    In Stock
  • 5
    09263-18016 bearing, piston pin Retail: $24.62 Price: $23.14
    In Stock
  • 6
    12200-28C00 crankshaft assy Includes Item(s) 7 - 12
    This part is currently unavailable.
  • 7
    12161-05D00 rod, connecting Supersedes: 12161-00B00 (ROD, CONNECTING)
    This part is currently unavailable.
  • 8
    09160-24015 washer
    This part is currently unavailable.
  • 9
    12210-00B20 pin, crank
    This part is currently unavailable.
  • 10
    09263-24026 bearing Supersedes: 09263-24023 (BEARING) Retail: $86.34 Price: $80.30
    Expected to Ship in 4-9 Days
  • 11
    12221-28C00 crankshaft, rh Retail: $236.42 Price: $200.96
    Expected to Ship in 4-9 Days
  • 12
    12261-28C01 crankshaft, lh Supersedes: 12261-28C00 (CRANKSHAFT, LH)
    This part is currently unavailable.
  • 13
    09262-25066 bearing
    This part is currently unavailable.
  • 14
    09283-36007 oil seal, rh (36x52x7) Supersedes: 09283-36006 (OIL SEAL, RH (36X52X8))
    This part is currently unavailable.
  • 15
    09283-20051 oil seal, lh (20x37x6) Supersedes: 09283-20046 (OIL SEAL, LH (20X37X6))
    This part is currently unavailable.
  • 16
    12359-00B20 spacer
    This part is currently unavailable.
  • 17
    In Stock
  • 18
    21111-14321 gear, primary drive (nt:23) Supersedes: 21111-14310 (GEAR, PRIMARY DRIVE (NT:23)) Retail: $82.57 Price: $76.79
    Expected to Ship in 4-9 Days
  • 19
    09140-16019 nut Price: $5.18
    In Stock
  • 20
    In Stock
  • 21
    12100-28855 no description available OPT Supersedes: 12100-28852 (TOP END KIT, ENGINE (STD))
    This part is currently unavailable.
All 1992 Suzuki RM250 Part Groups
Added to your cart
CLOSE