Kickstart your Riding Season with Bike Prep and Riding Gear Shop Now
CLOSE
Shipping to US Flag United States
Free shipping over $79
Moto Madness Sale | Get Up To 65% Off Parts & Gear Shop Now

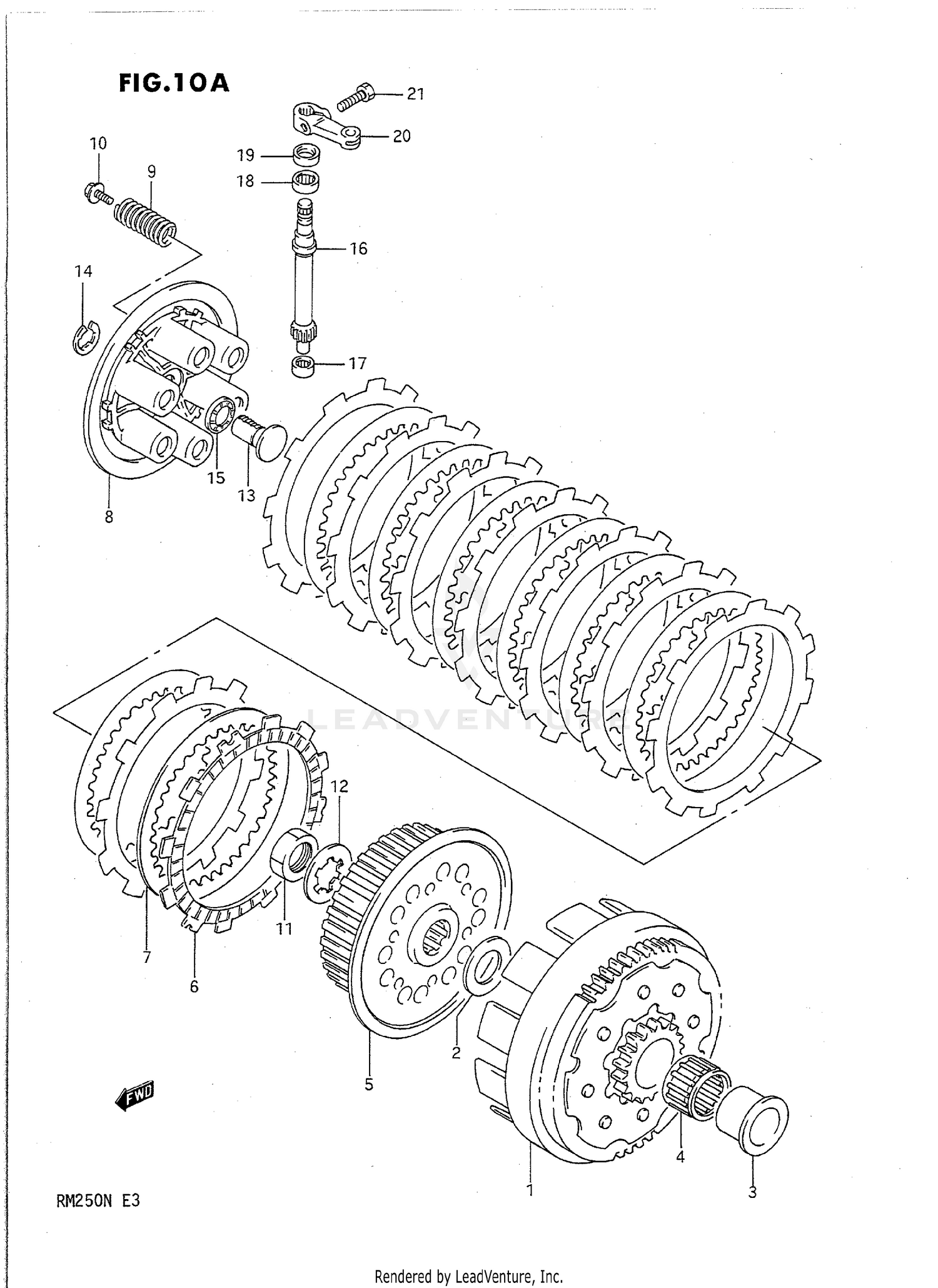
1992 Suzuki RM250 CLUTCH (MODEL N)

Set this as my ride
CLUTCH (MODEL N)

WARNING Cancer and Reproductive Harm www.P65Warnings.ca.gov.

  • # Part Retail Our Price
    Stock Status Suggested Quantity
  • 1
    21200-28E12 gear assy, primary driven NT:61/20 Supersedes: 21200-28C30 (GEAR ASSY, PRIMARY DIRVEN)
    This part is currently unavailable.
  • 2
    09160-22067 washer (22x38x2) Retail: $10.59 Price: $9.95
    In Stock
  • 3
    21251-28C01 spacer
    This part is currently unavailable.
  • 4
    09263-29006 bearing (29x34x21.8) Supersedes: 09263-29007 (BEARING (29X34X22))
    This part is currently unavailable.
  • 5
    21411-28E10 hub, sleeve Supersedes: 21410-28C32 (HUB, SLEEVE)
    This part is currently unavailable.
  • 6
    21441-12D01 plate, drive no.1 Supersedes: 21441-07A01 (PLATE, DRIVE (T:2.8)) Retail: $25.49 Price: $23.96
    In Stock
  • 7
    21451-28C31 plate,clutch driven (t:1.6) Supersedes: 21451-28C30 (PLATE, DRIVEN (T:1.6)) Retail: $14.58 Price: $13.71
    Expected to Ship in 4-9 Days
  • 8
    21462-28C33 no description available Supersedes: 21462-28C32 (DISC, PRESSURE)
    This part is currently unavailable.
  • 9
    Expected to Ship in 4-9 Days
  • 10
    In Stock
  • 11
    09140-20016 nut
    This part is currently unavailable.
  • 12
    In Stock
  • 13
    23165-46000 rack Supersedes: 23165-28301 (RACK) Retail: $28.22 Price: $26.53
    Expected to Ship in 4-9 Days
  • 14
    08332-1108A .e-ring Supersedes: 08332-11086 (E RING) Price: $2.47
    Expected to Ship in 4-9 Days
  • 15
    09263-10002 thrust bearing Retail: $12.41 Price: $11.67
    In Stock
  • 16
    23261-00B20 pinion
    This part is currently unavailable.
  • 17
    09263-09001 bearing, no.1 Retail: $15.27 Price: $14.35
    In Stock
  • 18
    09263-12024 bearing, no.2 Retail: $15.43 Price: $14.50
    In Stock
  • 19
    Expected to Ship in 4-9 Days
  • 20
    23271-20902 arm, clutch release Supersedes: 23271-20901 (ARM, CLUTCH RELEASE) Retail: $36.56 Price: $34.37
    In Stock
  • 21
    01500-06167 bolt, canister Supersedes: 01107-06167 (BOLT) Price: $2.73
    In Stock
All 1992 Suzuki RM250 Part Groups
Added to your cart
CLOSE