Kickstart your Riding Season with Bike Prep and Riding Gear Shop Now
CLOSE
Shipping to US Flag United States
Free shipping over $79
My Ride: 2017 Can-Am OUTLANDER MAX 1000 LTD
Moto Madness Sale | Get Up To 65% Off Parts & Gear Shop Now

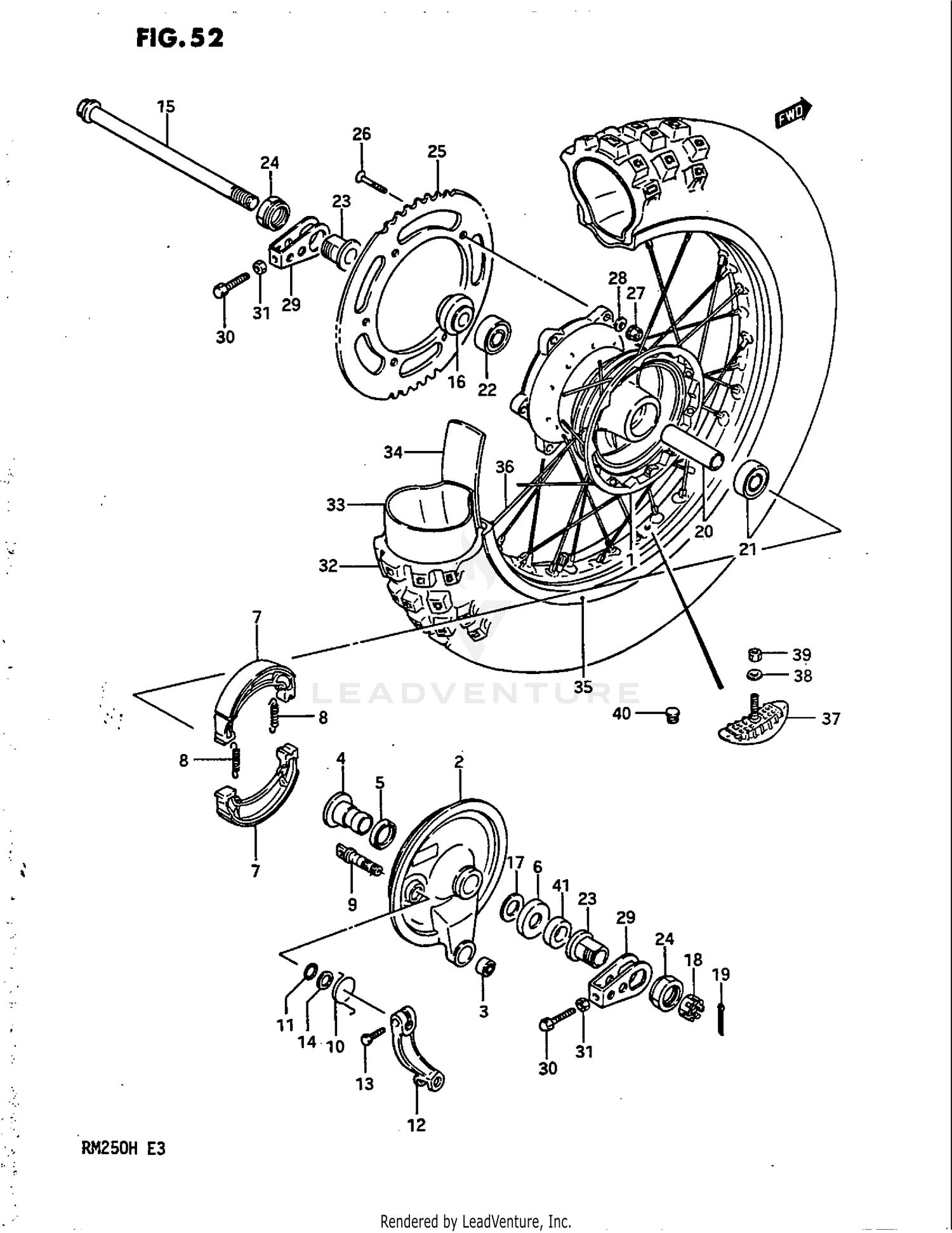
1987 Suzuki RM250 REAR WHEEL (MODEL G)

Set this as my ride
REAR WHEEL (MODEL G)

WARNING Cancer and Reproductive Harm www.P65Warnings.ca.gov.

  • # Part Retail Our Price
    Stock Status Suggested Quantity
  • 1
    64110-14600 hub, rear wheel
    This part is currently unavailable.
  • 2
    64200-14860 panel, rear hub Includes Item(s) 3
    This part is currently unavailable.
  • 3
    64352-40401 bearing
    This part is currently unavailable.
  • 4
    64213-14600 spacer, panel
    This part is currently unavailable.
  • 5
    In Stock
  • 6
    64845-37200 cover, panel dust seal
    This part is currently unavailable.
  • 7
    64400-40810 shoe set, brake Supersedes: 54410-14100 (SHOE, BRAKE) Retail: $36.77 Price: $34.56
    Expected to Ship in 4-9 Days
  • 8
    In Stock
  • 9
    54441-14101 cam, brake Retail: $21.79 Price: $20.48
    Expected to Ship in 4-9 Days
  • 10
    09448-30007-XC0 spring Supersedes: 09448-30007 (SPRING)
    This part is currently unavailable.
  • 11
    09280-12001 dust seal Retail: $3.65 Price: $1.77
    In Stock
  • 12
    64451-00B00 lever, brake cam
    This part is currently unavailable.
  • 13
    01500-06257 bolt Supersedes: 01107-06257 (BOLT) Price: $2.73
    Expected to Ship in 4-9 Days
  • 14
    09160-12011 washer (12.5x20x1) Supersedes: 09160-12011-A05 (WASHER, SHIFT LEVER) Price: $1.99
    In Stock
  • 15
    64711-00B00 axle, rear Retail: $47.98 Price: $45.10
    Expected to Ship in 4-9 Days
  • 16
    64750-00B00 spacer, axle lh
    This part is currently unavailable.
  • 17
    Expected to Ship in 4-9 Days
  • 18
    08314-4016A nut, hub Supersedes: 08314-41168 (NUT, HUB) Price: $5.38
    Expected to Ship in 4-9 Days
  • 19
    04111-4030A pin, rear axle Supersedes: 04111-40308 (PIN) Price: $1.90
    Expected to Ship in 4-9 Days
  • 20
    64730-14600 spacer, hub bearing Retail: $28.59 Price: $26.87
    Expected to Ship in 4-9 Days
  • 21
    08133-6203B bearing Supersedes: 08123-62037 (BEARING, RH) Retail: $21.44 Price: $20.15
    Expected to Ship in 4-9 Days
  • 22
    08123-6303B bearing Supersedes: 08123-63037 (BEARING, LH) Retail: $19.21 Price: $18.06
    Expected to Ship in 4-9 Days
  • 23
    64781-40600 spacer, chain adjuster
    This part is currently unavailable.
  • 24
    09140-24007 nut Price: $5.53
    Expected to Ship in 4-9 Days
  • 25
    64511-14600 sprocket, rear (nt:50)
    This part is currently unavailable.
  • 25
    64511-14200 sprocket, rear (nt:49) OPT Retail: $100.64 Price: $85.54
    Expected to Ship in 4-9 Days
  • 25
    64511-14610 sprocket, rear (nt:51) OPT
    This part is currently unavailable.
  • 26
    09120-08009 screw Price: $5.58
    Expected to Ship in 4-9 Days
  • 27
    08319-3108A nut Supersedes: 08319-31085 (NUT) Price: $3.21
    In Stock
  • 28
    In Stock
  • 29
    61410-40600 adjuster, chain
    This part is currently unavailable.
  • 30
    09104-08027 bolt Price: $6.42
    Expected to Ship in 4-9 Days
  • 31
    08310-00087 nut Supersedes: 13607-37010 (NUT) Price: $2.55
    In Stock
  • 32
    65100-00B10 tire, rear (110/100-18) BS Supersedes: 65100-00B00 (TIRE, REAR (110/100-18)) Retail: $144.05 Price: $122.44
    Expected to Ship in 4-9 Days
  • 33
    65200-40430 tube, wheel inner Retail: $38.39 Price: $36.09
    Expected to Ship in 4-9 Days
  • 34
    55261-26F10 in tube protect Supersedes: 55261-11010 (IN TUBE PROTECT) Price: $6.41
    Expected to Ship in 4-9 Days
  • 35
    65311-00B00 rim, wheel (215x18) Retail: $215.45 Price: $183.13
    Expected to Ship in 4-9 Days
  • 36
    65320-00B00 spoke assy, rear
    This part is currently unavailable.
  • 37
    65270-28E00 stopper, bead Supersedes: 65270-14200 (STOPPER, BEAD) Retail: $63.46 Price: $59.02
    Expected to Ship in 4-9 Days
  • 38
    08322-01087 washer Supersedes: 08322-11088 (WASHER) Price: $2.59
    In Stock
  • 39
    08310-00087 nut Supersedes: 13607-37010 (NUT) Price: $2.55
    In Stock
  • 40
    09250-08013 cap Price: $3.25
    Expected to Ship in 4-9 Days
  • 41
    64741-00B00 spacer, axle rh
    This part is currently unavailable.
Added to your cart
CLOSE