Acerbis Plastic Kits Starting At $119.99 Shop Now
CLOSE
Shipping to US Flag United States
Free shipping over $79
Fast Cash Week Ends Today! | Earn $10 When you Spend $99 + $25 When You Spend $199 Shop Now

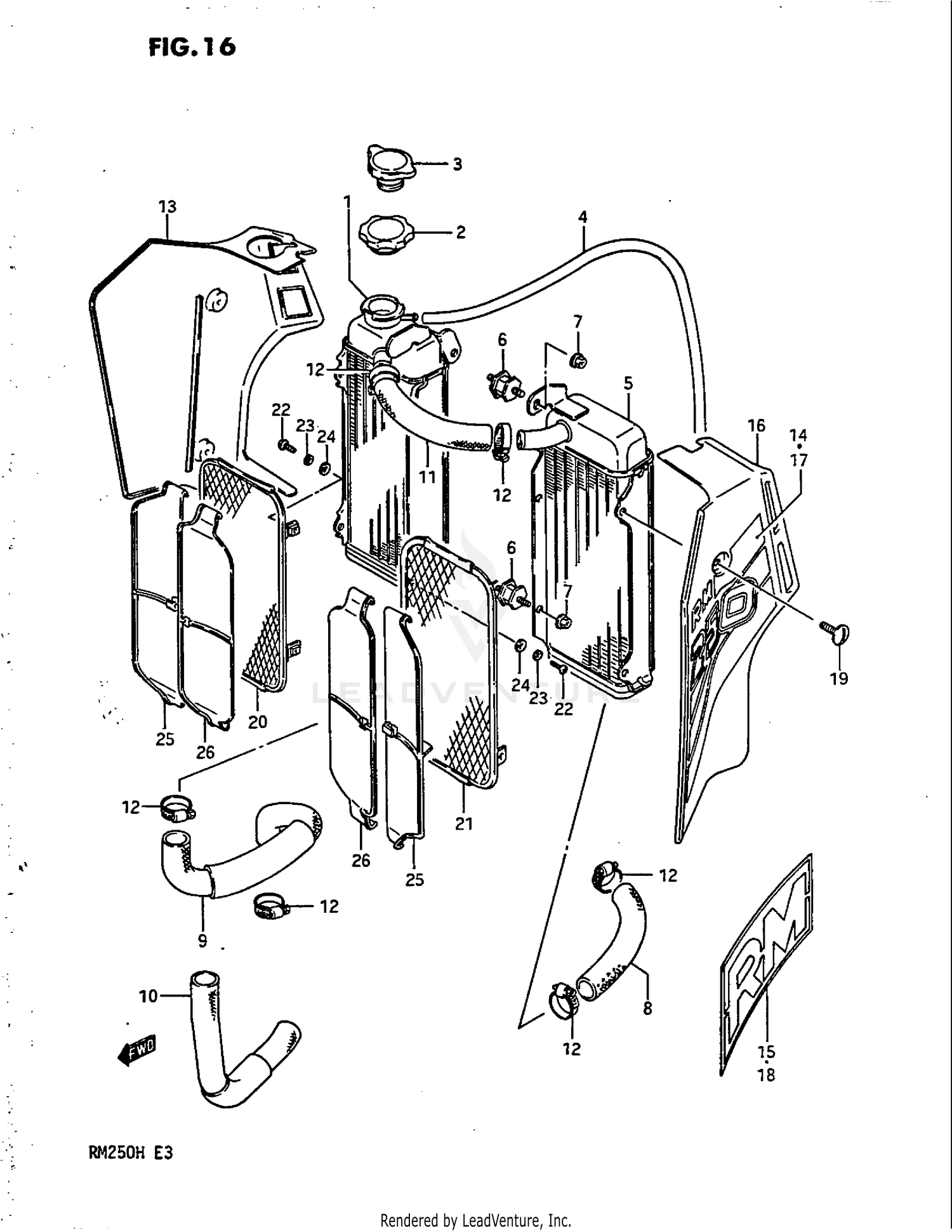
1987 Suzuki RM250 RADIATOR

Set this as my ride
RADIATOR

WARNING Cancer and Reproductive Harm www.P65Warnings.ca.gov.

  • # Part Retail Our Price
    Stock Status Suggested Quantity
  • 1
    17710-01B00 radiator, rh
    This part is currently unavailable.
  • 2
    17730-19D11 cap, radiator 1.1 MODEL G Supersedes: 17730-19D10 (CAP, RADIATOR (1.1)) Retail: $52.28 Price: $48.62
    Expected to Ship in 4-9 Days
  • 3
    17730-08J00 cap, radiator MODEL H Supersedes: 17730-12C01 (CAP, RADIATOR) Retail: $52.50 Price: $48.83
    In Stock
  • 4
    09352-50901-00B hose (5x9x2000) L:760->650 Supersedes: 09343-05347 (HOSE, OVER FLOW (5X9X760)) Retail: $33.28 Price: $31.28
    Expected to Ship in 4-9 Days
  • 5
    17720-01B00 radiator, lh
    This part is currently unavailable.
  • 6
    17788-14501 bolt,radiator Supersedes: 17788-14500 (BOLT, CUSHION) Retail: $16.74 Price: $15.74
    Expected to Ship in 4-9 Days
  • 7
    08316-1006B nut Supersedes: 08316-16064 (NUT) Price: $3.47
    In Stock
  • 8
    17851-00B02 hose, inlet
    This part is currently unavailable.
  • 9
    17852-00B03 hose, outlet MODEL G
    This part is currently unavailable.
  • 10
    17852-00B21 hose, outlet MODEL H Retail: $26.88 Price: $25.27
    Expected to Ship in 4-9 Days
  • 11
    17853-14500 hose, joint
    This part is currently unavailable.
  • 12
    09402-28511 clamp MODEL G Supersedes: 09402-25501 (CLAMP) Price: $9.65
    In Stock
  • 12
    09402-28511 clamp MODEL H Supersedes: 09402-25502 (CLAMP) Price: $9.65
    In Stock
  • 13
    17761-14500-25Y cover, radiator rh MODEL G Supersedes: 17761-14500-163 (COVER, RADIATOR RH)
    This part is currently unavailable.
  • 13
    17761-14500-25Y cover, radiator rh MODEL H
    This part is currently unavailable.
  • 14
    68660-00B02-74H no description available MODEL G Supersedes: 68660-00B00-74H (TAPE SET, RH)
    This part is currently unavailable.
  • 15
    68660-01B10-9BV tape set, rh MODEL H
    This part is currently unavailable.
  • 16
    17762-14500-25Y cover, radiator lh MODEL G Supersedes: 17762-14500-163 (COVER, RADIATOR LH)
    This part is currently unavailable.
  • 16
    17762-14500-25Y cover, radiator lh MODEL H
    This part is currently unavailable.
  • 17
    68670-00B02-74H no description available MODEL G Supersedes: 68670-00B00-74H (TAPE SET, LH)
    This part is currently unavailable.
  • 18
    68670-01B10-9BV tape set, lh MODEL H
    This part is currently unavailable.
  • 19
    09125-06045 screw Retail: $11.63 Price: $10.93
    In Stock
  • 20
    17810-14500 bumper, radiator rh
    This part is currently unavailable.
  • 21
    17820-14500 bumper, radiator lh
    This part is currently unavailable.
  • 22
    02112-0610B screw Supersedes: 02112-06103 (SCREW, CENTER SHAFT) Price: $2.55
    In Stock
  • 23
    08321-0106A lock washer Supersedes: 08321-21064 (WASHER) Price: $2.55
    In Stock
  • 24
    08322-0106B .washer Supersedes: 08322-21064 (WASHER) Price: $3.13
    In Stock
  • 25
    17831-14500 louver, mud guard rh
    This part is currently unavailable.
  • 26
    17832-14500 louver, mud guard lh
    This part is currently unavailable.
Added to your cart
CLOSE