Kickstart your Riding Season with Bike Prep and Riding Gear Shop Now
CLOSE
Shipping to US Flag United States
Free shipping over $79
Bargain Bin Blowout! | Save 40-90% Off! Shop Now

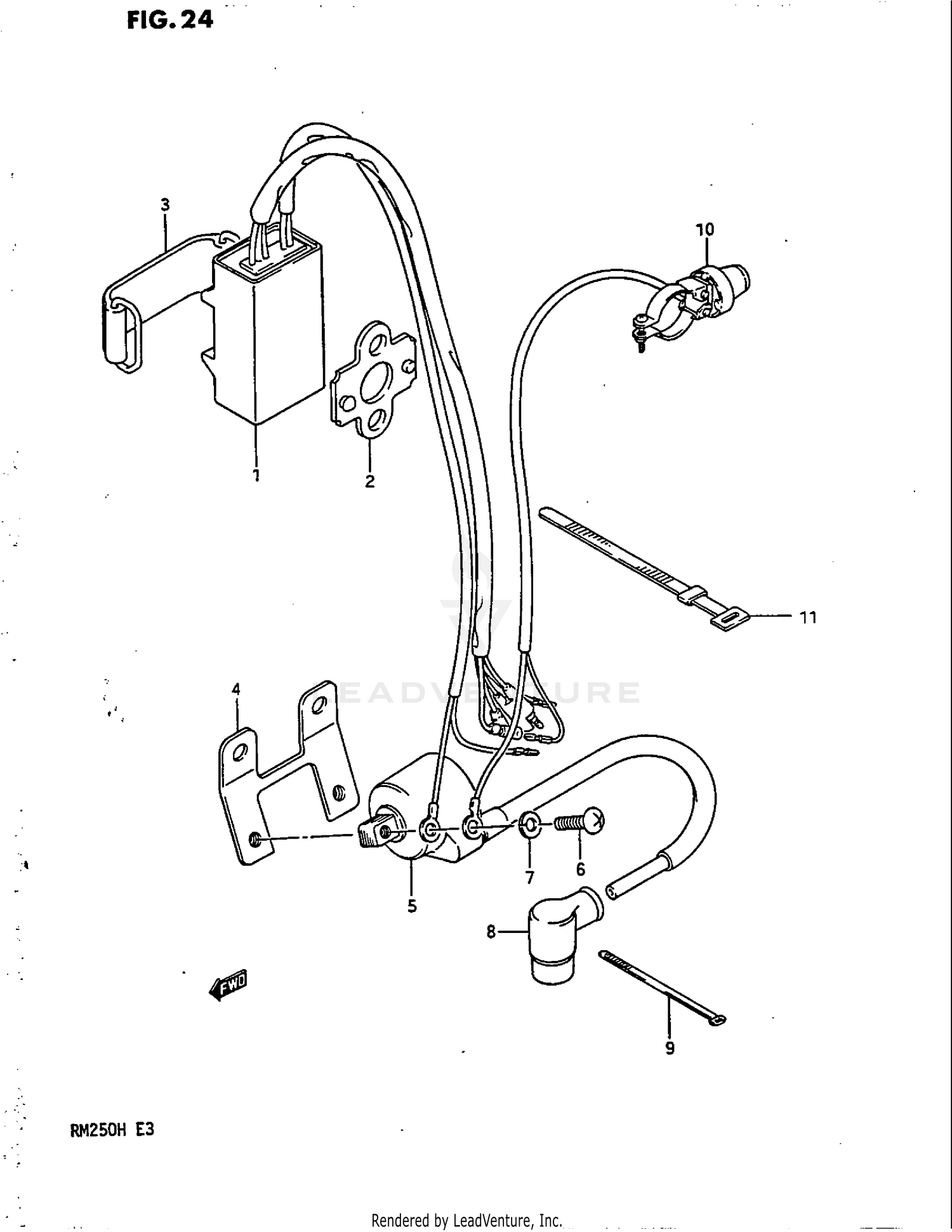
1987 Suzuki RM250 ELECTRICAL (MODEL H)

Set this as my ride
ELECTRICAL (MODEL H)

WARNING Cancer and Reproductive Harm www.P65Warnings.ca.gov.

  • # Part Retail Our Price
    Stock Status Suggested Quantity
  • 1
    32900-00B30 c.d.i. unit
    This part is currently unavailable.
  • 2
    32941-14300 protector
    This part is currently unavailable.
  • 3
    32942-14111 band, cdi unit Supersedes: 32942-14110 (BAND) Retail: $10.95 Price: $10.29
    Expected to Ship in 4-9 Days
  • 4
    33416-01B01 bracket, ignition coil
    This part is currently unavailable.
  • 5
    33410-12C00 coil assy, ignition Supersedes: 33410-01B20 (COIL ASSY, IGNITION)
    This part is currently unavailable.
  • 6
    02112-0620A screw Supersedes: 02112-06203 (SCREW) Price: $2.01
    Expected to Ship in 4-9 Days
  • 7
    08321-0106A lock washer Supersedes: 08321-21064 (WASHER) Price: $2.55
    In Stock
  • 8
    33510-20A02 cap, spark plug Supersedes: 33510-20A01 (CAP, SPARK PLUG) Retail: $30.13 Price: $28.32
    In Stock
  • 9
    09407-09402 belt Price: $2.97
    Expected to Ship in 4-9 Days
  • 10
    37820-14X50 switch assy, engine stop Supersedes: 37820-00B00 (SWITCH ASSY, ENGINE STOP) Retail: $59.96 Price: $55.76
    Expected to Ship in 4-9 Days
  • 11
    09407-12402 clamp Price: $4.26
    In Stock
Added to your cart
CLOSE