BOGOS End Today! | Buy One Get One Deals Shop Now
CLOSE
Shipping to US Flag United States
Free shipping over $79
Fast Cash Week Ends Today! | Earn $25 Fast Cash When You Spend $199 Learn More

2023 Kawasaki NINJA H2 SX SE OEM Parts

Set this as my ride

View all parts for your 2023 Kawasaki NINJA H2 SX SE

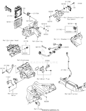
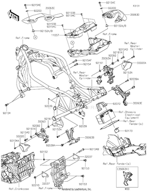
Accessory(Bag Fitting Kit) Accessory(Bag Fitting Kit) 2 Accessory(Low Seat) Accessory(Low Seat) 2 Accessory(Oil Filler Cap) Accessory(Oil Filler Cap) 2 Accessory(Safety And Security) Accessory(Safety And Security) 2 Accessory(Slider) Accessory(Slider) 2 Air Chamber Air Chamber 2 Air Cleaner Air Cleaner 2 Balancer Balancer 2 Brake Pedal/Torque Link Brake Pedal/Torque Link 2 Brake Piping Brake Piping 2 Camshaft(s)/Tensioner Camshaft(s)/Tensioner 2 Chassis Electrical Equipment Chassis Electrical Equipment 2 Chassis Electrical Equipment 3 Chassis Electrical Equipment 4 Chassis Electrical Equipment 5 Chassis Electrical Equipment 6 Clutch Clutch 2 Clutch Master Cylinder Clutch Master Cylinder 2 Cowling Cowling 2 Cowling Lowers Cowling Lowers 2 Crankcase Crankcase 2 Crankcase Bolt Pattern Crankcase Bolt Pattern 2 Crankshaft/Piston(s) Crankshaft/Piston(s) 2 Cylinder Head Cylinder Head 2 Cylinder Head Cover Cylinder Head Cover 2 Decals(RRFNN) Decals(RRFNN) 2 Engine Cover(s) Engine Cover(s) 2 Engine Cover(s) 3 Engine Cover(s) 4 Footrests Footrests 2 Frame Frame 2 Frame Fittings Frame Fittings 2 Front Brake Front Brake 2 Front Fender(s) Front Fender(s) 2 Front Fork Front Fork 2 Front Master Cylinder Front Master Cylinder 2 Front Wheel Front Wheel 2 Fuel Evaporative System Fuel Evaporative System 2 Fuel Injection Fuel Injection 2 Fuel Pump Fuel Pump 2 Fuel Tank Fuel Tank 2 Fuel Tank 3 Fuel Tank 4 Gear Change Drum/Shift Fork(s) Gear Change Drum/Shift Fork(s) 2 Gear Change Mechanism Gear Change Mechanism 2 Generator Generator 2 Handlebar Handlebar 2 Headlight(s)(RPFNN/RRFNN) Ignition Switch/Locks/Reflectors Ignition Switch/Locks/Reflectors 2 Ignition System Ignition System 2 Labels Labels 2 Meter(s) Meter(s) 2 Muffler(s) Muffler(s) 2 Oil Cooler Oil Cooler 2 Oil Pan Oil Pan 2 Oil Pump/Oil Filter Oil Pump/Oil Filter 2 Owner's Tools Owner's Tools 2 Radiator Radiator 2 Rear Brake Rear Brake 2 Rear Fender(s) Rear Fender(s) 2 Rear Master Cylinder Rear Master Cylinder 2 Rear Master Cylinder 3 Rear Master Cylinder 4 Rear Wheel/Chain Rear Wheel/Chain 2 Seat Seat 2 Side Covers/Chain Cover Side Covers/Chain Cover 2 Stand(s) Stand(s) 2 Starter Motor Starter Motor 2 Super Charger Super Charger 2 Super Charger 3 Super Charger 4 Suspension/Shock Absorber Suspension/Shock Absorber 2 Swingarm Swingarm 2 Taillight(s) Taillight(s) 2 Throttle Throttle 2 Tires Tires 2 Transmission Transmission 2 Turn Signals Turn Signals 2 Valve(s) Valve(s) 2 Valve(s) 3 Valve(s) 4 Valve(s) 5 Valve(s) 6 Water Pipe Water Pipe 2