BOGOS End Today! | Buy One Get One Deals Shop Now
CLOSE
Shipping to US Flag United States
Free shipping over $79
My Ride: 2007 Yamaha RHINO 660
Fast Cash Week Ends Today! | Earn $25 Fast Cash When You Spend $199 Learn More

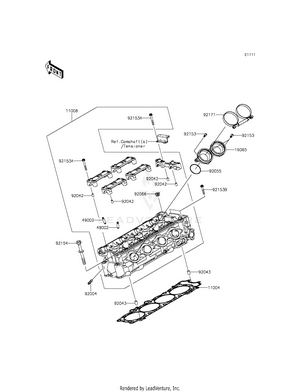
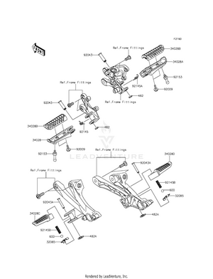
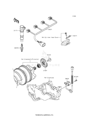
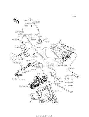
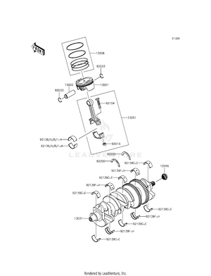
2014 Kawasaki ZX-14R OEM Parts

Set this as my ride