Kickstart your Riding Season with Bike Prep and Riding Gear Shop Now
CLOSE
Shipping to US Flag United States
Free shipping over $79
My Ride: 2021 Cfmoto CFORCE 600
Moto Madness Sale | Get Up To 65% Off Parts & Gear Shop Now

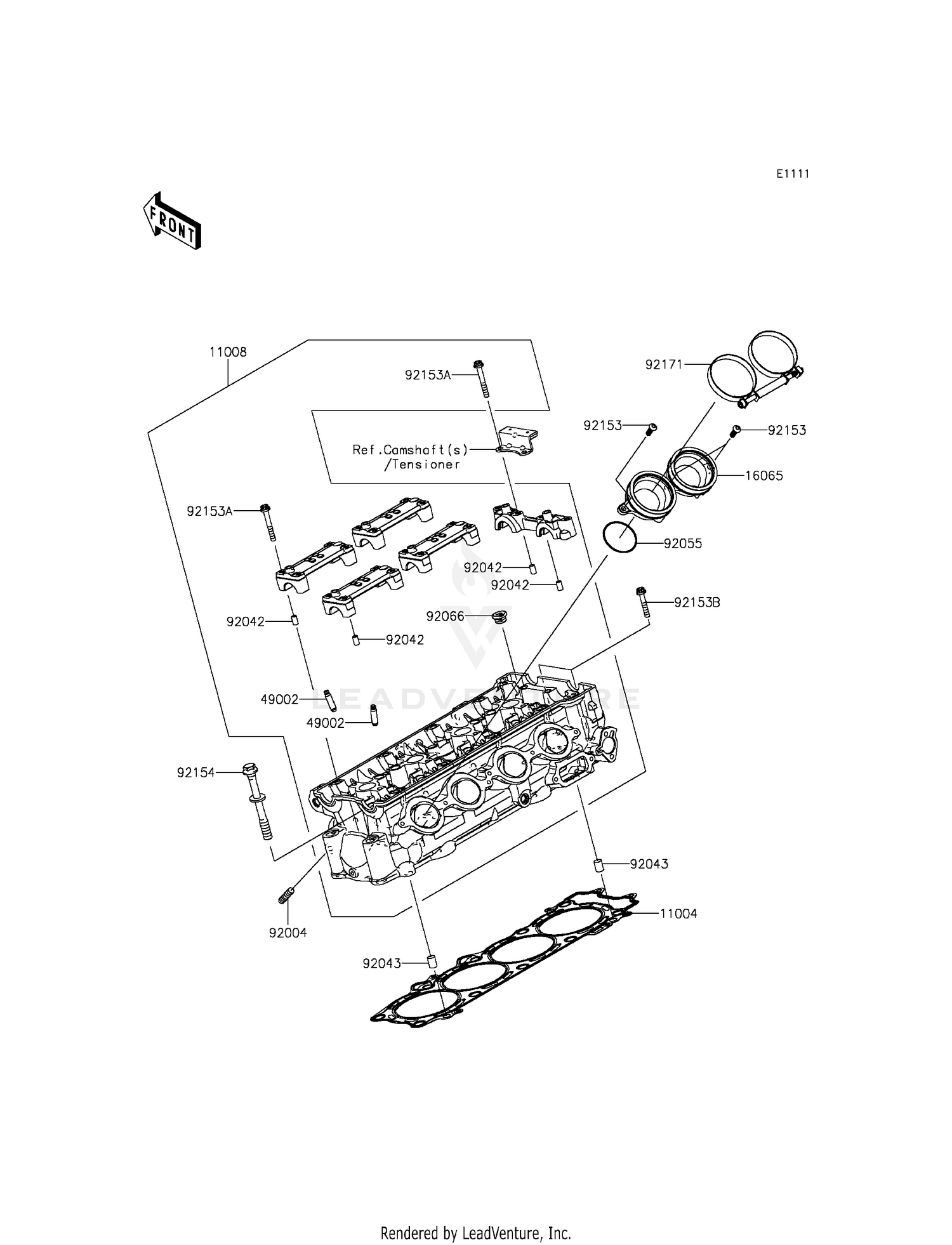
2014 Kawasaki ZX-14R CYLINDER HEAD

Set this as my ride
CYLINDER HEAD

WARNING Cancer and Reproductive Harm www.P65Warnings.ca.gov.

Added to your cart
CLOSE