BOGOS | Buy One Get One Deals Shop Now
CLOSE
Shipping to US Flag United States
Free shipping over $79
Fast Cash Week | Earn $25 Fast Cash When You Spend $199 Learn More

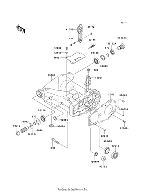
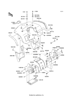
2005 Kawasaki PRAIRIE 700 4X4 OEM Parts

Set this as my ride