Kickstart your Riding Season with Bike Prep and Riding Gear Shop Now
CLOSE
Shipping to US Flag United States
Free shipping over $79
My Ride: 1985 Suzuki LT50 QUADRUNNER
Moto Madness Sale | Get Up To 65% Off Parts & Gear Shop Now

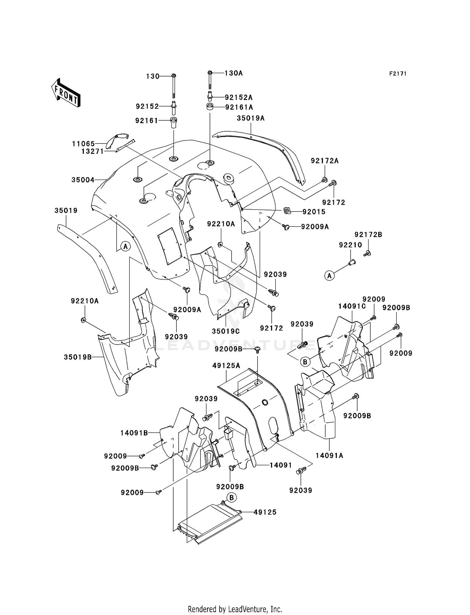
2005 Kawasaki PRAIRIE 700 4X4 FRONT FENDER(S)

Set this as my ride
FRONT FENDER(S)

WARNING Cancer and Reproductive Harm www.P65Warnings.ca.gov.

Added to your cart
CLOSE