BOGOS End Today! | Buy One Get One Deals Shop Now
CLOSE
Shipping to US Flag United States
Free shipping over $79
My Ride: 1992 Harley Davidson Dyna Daytona - FXDB
Fast Cash Week Ends Today! | Earn $25 Fast Cash When You Spend $199 Learn More

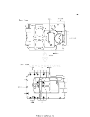
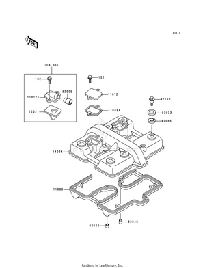
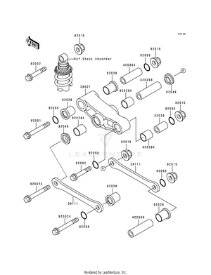
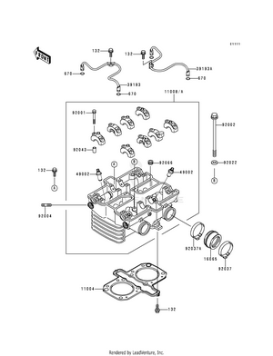
1994 Kawasaki NINJA 500 - EX500 OEM Parts

Set this as my ride