BOGOS End Tomorrow! | Buy One Get One Deals Shop Now
CLOSE
Shipping to US Flag United States
Free shipping over $79
Fast Cash Week Ends Tomorrow! | Earn $25 Fast Cash When You Spend $199 Learn More

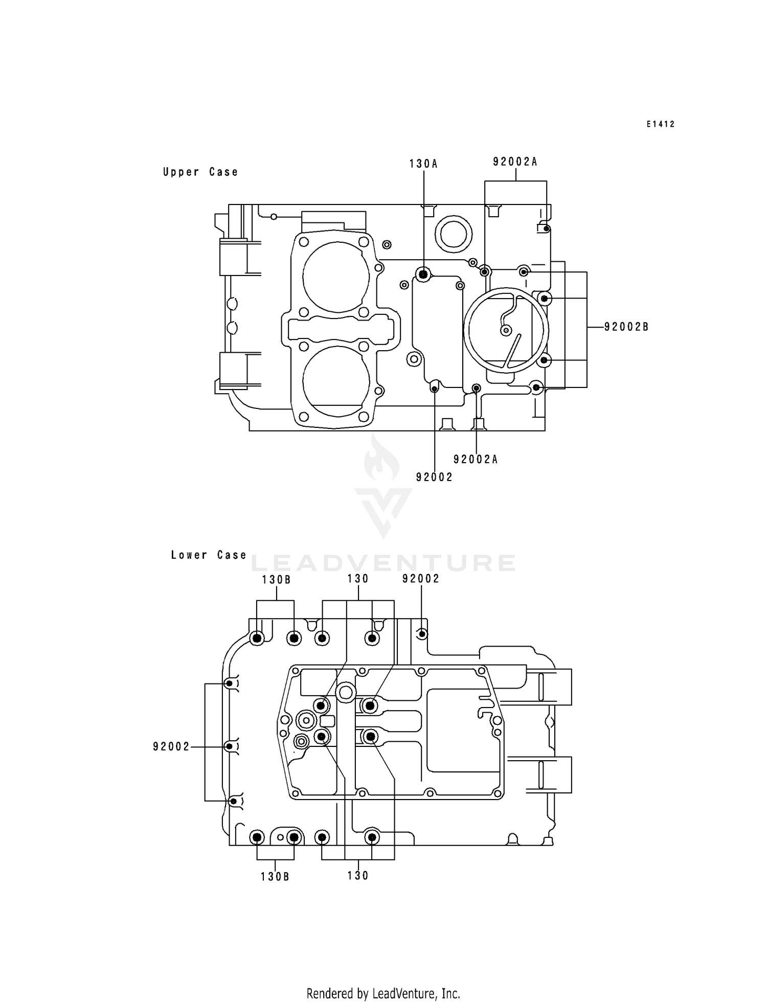
1994 Kawasaki NINJA 500 - EX500 CRANKCASE BOLT PATTERN

Set this as my ride
CRANKCASE BOLT PATTERN

WARNING Cancer and Reproductive Harm www.P65Warnings.ca.gov.

  • # Part Retail Our Price
    Stock Status Suggested Quantity
  • 130
    130CD08100 bolt-flanged Supersedes: 130Z08100 (BOLT-FLANGED,8X100) Retail: $11.91 Price: $10.96
    Expected to Ship in 4-9 Days
  • 130A
    130CD0855 bolt-flanged,8x55 Supersedes: 130Z0855 (BOLT-FLANGED,8X55) Price: $7.11
    Expected to Ship in 4-9 Days
  • 130B
    130CD0875 bolt-flanged,8x75 Supersedes: 130Z0875 (BOLT-FLANGED,8X75) Price: $11.40
    Expected to Ship in 4-9 Days
  • 92002
    Expected to Ship in 4-9 Days
  • 92002A
    132BB0660 bolt,6x60 Supersedes: 92002-1567 (BOLT,6X60) Price: $6.10
    Expected to Ship in 4-9 Days
  • 92002B
    132BB0680 bolt,6x80 Supersedes: 92002-1568 (BOLT-FLANGED-SMALL,6X80) Price: $6.91
    In Stock
Added to your cart
CLOSE