Get Out and Ride | Dialed Gear. Tuned Parts. Dirt Ready. Shop Now
CLOSE
Shipping to US Flag United States
Free shipping over $79
My Ride: 2008 Yamaha RAPTOR 350
BOGOS | Buy One Get One Deals Shop Now

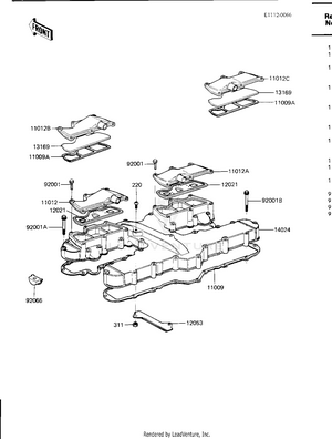
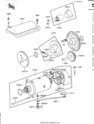
1985 Kawasaki VOYAGER - ZN1300A OEM Parts

Set this as my ride