Kickstart your Riding Season with Bike Prep and Riding Gear Shop Now
CLOSE
Shipping to US Flag United States
Free shipping over $79
My Ride: 2012 Triumph Scrambler
Moto Madness Sale | Get Up To 65% Off Parts & Gear Shop Now

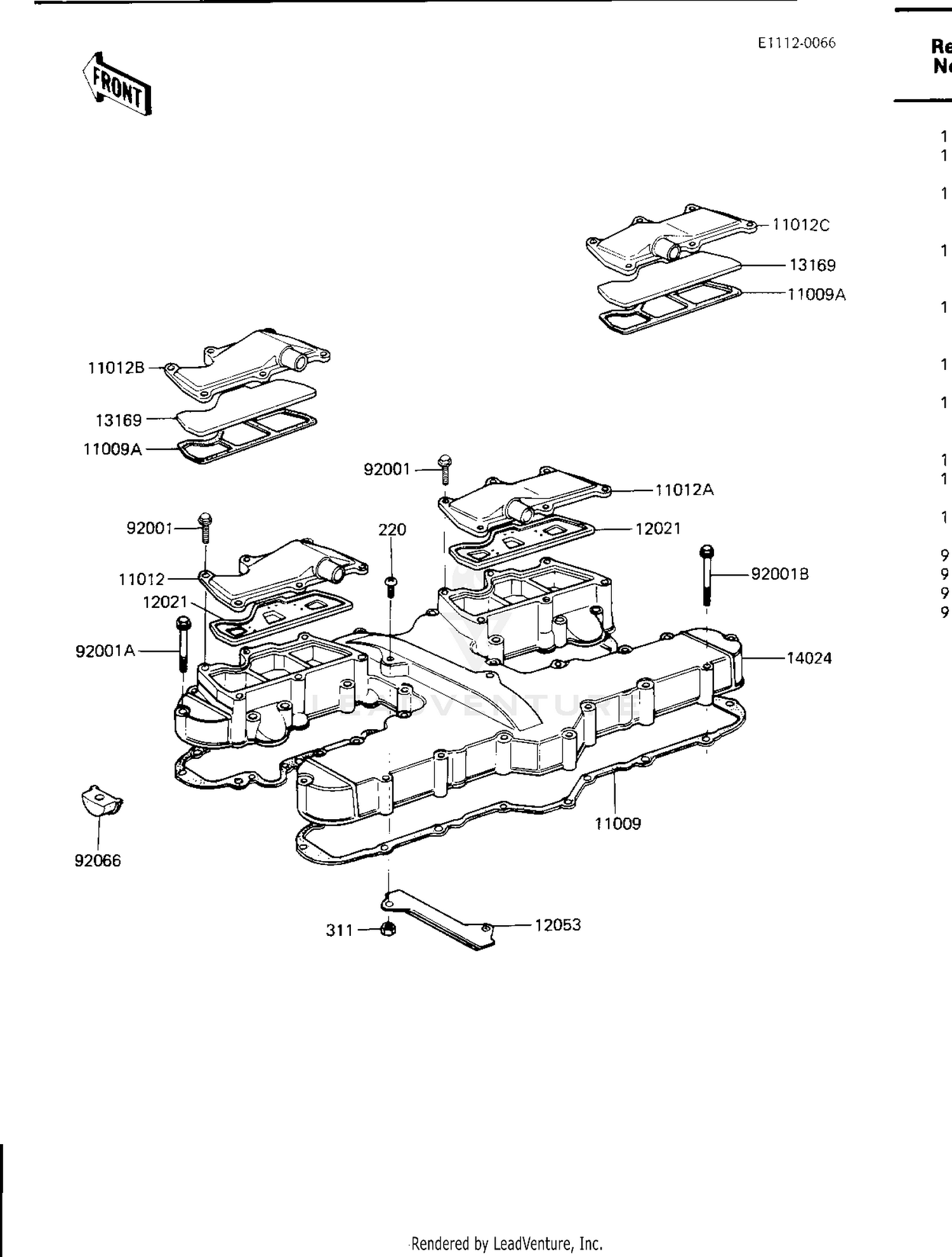
1985 Kawasaki VOYAGER - ZN1300A CYLINDER HEAD COVER

Set this as my ride
CYLINDER HEAD COVER

WARNING Cancer and Reproductive Harm www.P65Warnings.ca.gov.

  • # Part Retail Our Price
    Stock Status Suggested Quantity
  • 11009
    11060-1471 gasket,cyl. head cur. Supersedes: 11009-1095 (GASKET,CYL HEAD COVER)
    This part is currently unavailable.
  • 11009A
    11009-1170 gasket (canada) CN
    This part is currently unavailable.
  • 11012
    11012-1057 cap,l.h,reed valve US
    This part is currently unavailable.
  • 11012A
    11012-1058 cap,r.h,reed valve US
    This part is currently unavailable.
  • 11012B
    11012-1107 cap,l.h (canada) CN
    This part is currently unavailable.
  • 11012C
    11012-1108 cap,r.h (canada) CN
    This part is currently unavailable.
  • 12021
    12021-1004 valve assy,reed US
    This part is currently unavailable.
  • 12053
    12053-1026 guide,chain,cam
    This part is currently unavailable.
  • 13169
    13169-1221 plate (canada) CN
    This part is currently unavailable.
  • 14024
    14025-1639 cover,head
    This part is currently unavailable.
  • 92001
    Expected to Ship in 4-9 Days
  • 92001A
    92001-1192 bolt,hex head,6x52
    This part is currently unavailable.
  • 92001B
    Expected to Ship in 4-9 Days
  • 92066
    92066-1030 plug,camshaft Retail: $17.85 Price: $16.42
    Expected to Ship in 4-9 Days
  • 220
    220AA0616 screw-pan-cros,6x16 Supersedes: 220B0616 (SCREW-PAN-CROS,6X16) Price: $3.50
    Expected to Ship in 4-9 Days
  • 311
    311AA0600 nut-hex,6mm Supersedes: 311B0600 (NUT-HEX,6MM) Price: $1.68
    In Stock
Added to your cart
CLOSE