Acerbis Plastic Kits Starting At $119.99 Shop Now
CLOSE
Shipping to US Flag United States
Free shipping over $79
Fast Cash Week Ends Tomorrow | Earn $10 When you Spend $99 + $25 When You Spend $199 Shop Now

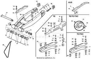
2013 Husqvarna TE 310 OEM Parts

Set this as my ride