Renthal Deal! Up To 10% Off Shop Now
CLOSE
Shipping to US Flag United States
Free shipping over $79
My Ride: 2012 Can-Am OUTLANDER MAX 650 XT
Moto Madness Sale | Get Up To 65% Off Parts & Gear Shop Now

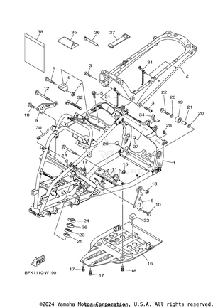
2026 Yamaha RAPTOR 700 CALIFORNIA OEM Parts

Set this as my ride