One Day Only! FREE 2-Day Shipping on Orders Over $99 with code RIDEOFF Shop Now
CLOSE
Shipping to US Flag United States
Free shipping over $79
My Ride: 2008 Honda TRX400EX
Fast Cash Week | Earn $25 Fast Cash When You Spend $199 Learn More

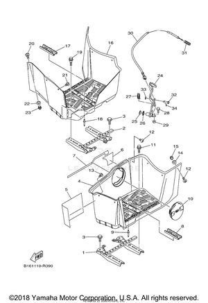
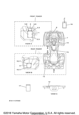
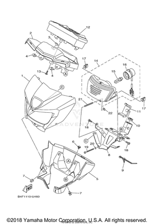
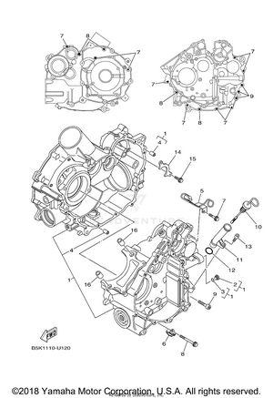
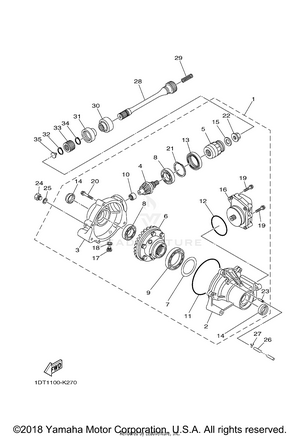
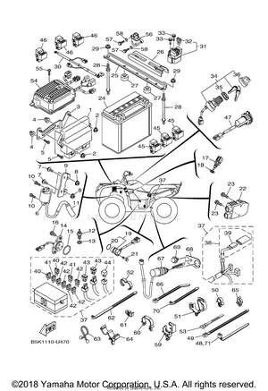
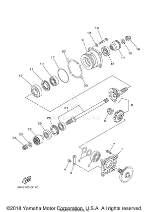
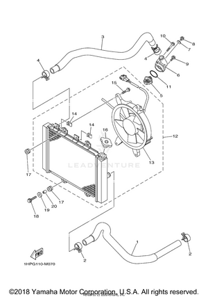
2019 Yamaha KODIAK 700 EPS 4WD OEM Parts

Set this as my ride